Product Summary
The LD431450 is a Dual SCR Isolated Module. It is designed for use in applications requiring phase control and isolated packaging. The LD431450 is isolated for easy mounting with other components on a common heatsink. POW-R-BLOKTM has been tested and recognized by the Underwriters Laboratories. The applications of the LD431450 include Bridge Circuits, AC & DC Motor Drives, Battery Supplies, Power Supplies, and Large IGBT Circuit Front Ends.
Parametrics
LD431450 absolute maximum ratings: (1)Repetitive Peak Forward and Reverse Blocking Voltage: up to 1600V; (2)Non-Repetitive Peak Blocking Voltage (t<5 msec): VRRM + 100V; (3)RMS Forward Current IT(RMS): 900A; (4)Average Forward Current: 500A; (5)Peak One Cycle Surge Current, Non-Repetitive 60 Hz, 100% VRRM reapplied: 17000A; (6)Peak Three Cycle Surge Current, Non-Repetitive 60 Hz, 100%VRRM reapplied ITSM: 12,250A; (7)Peak Ten Cycle Surge Current, Non-Repetitive 60 Hz, 100% VRRM reapplied ITSM: 10,500A; (8)Operating Temperature TJ: -40℃ to +130℃; (9)Storage Temperature Tstg: -40℃ to +150℃.
Features
LD431450 features: (1) Electrically Isolated Heatsinking; (2) Aluminum Nitride Isolator; (3) Compression Bonded Elements; (4) Metal Baseplate; (5) Low Thermal Impedance for Improved Current Capability; (6) UL Recognized.
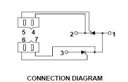
Diagrams

| Image | Part No | Mfg | Description | ![]() |
Pricing (USD) |
Quantity | ||||||||||||||||
|---|---|---|---|---|---|---|---|---|---|---|---|---|---|---|---|---|---|---|---|---|---|---|
![]() |
![]() LD431450 |
![]() |
![]() SCR MOD ISO DUAL 1400V 500A |
![]() Data Sheet |
![]()
|
|
||||||||||||||||
| Image | Part No | Mfg | Description | ![]() |
Pricing (USD) |
Quantity | ||||||||||||||||
![]() |
![]() LD43__50 |
![]() Other |
![]() |
![]() Data Sheet |
![]() Negotiable |
|
||||||||||||||||
![]() |
![]() LD430850 |
![]() |
![]() SCR MOD ISO DUAL 800V 500A |
![]() Data Sheet |
![]()
|
|
||||||||||||||||
![]() |
![]() LD431050 |
![]() |
![]() SCR MOD ISO DUAL 1000V 500A |
![]() Data Sheet |
![]()
|
|
||||||||||||||||
![]() |
![]() LD431250 |
![]() |
![]() SCR MOD ISO DUAL 1200V 500A |
![]() Data Sheet |
![]()
|
|
||||||||||||||||
![]() |
![]() LD431450 |
![]() |
![]() SCR MOD ISO DUAL 1400V 500A |
![]() Data Sheet |
![]()
|
|
||||||||||||||||
![]() |
![]() LD431850 |
![]() Other |
![]() |
![]() Data Sheet |
![]() Negotiable |
|
||||||||||||||||
(China (Mainland))










