Product Summary
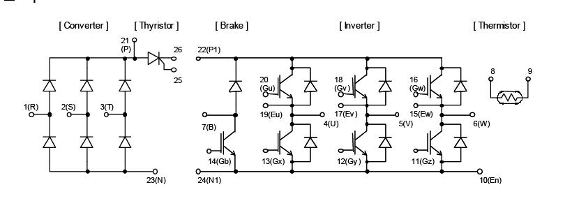
The 7MBR25SC120 is a PIM/Built-in converter with thyristor and brake. The applications of the 7MBR25SC120 include Inverter for Motor Drive, AC and DC Servo Drive Amplifier, Uninterruptible Power Supply.
Parametrics
7MBR25SC120 absolute maximum ratings: (1)Collector-Emitter voltage: 1200V; (2)Gate-Emitter voltage: ±20V; (3)Collector current Continous at TC=25℃: 35A; (4)Collector current Continous at TC=80℃: 25A; (5)Collector current 1ms at TC=25℃: 70A; (6)Collector current 1ms at TC=80℃: 50A; (7)Collector power disspation: 180W; (8)Collector-Emitter voltage: 1200V; (9)Gate-Emitter voltage: ±20V; (10)Repetitive peak reverse voltage: 1200V; (11) Repetitive peak reverse voltage: 1600V; (12) Average output current 50Hz/60Hz sine wave: 25A; (13) Surge current (Non-Repetitive): 290A.
Features
7MBR25SC120 features: (1) Low VCE (sat); (2) Compact Package; (3) P.C. Board Mount Module; (4) Converter Diode Bridge Dynamic Brake Circuit.
Diagrams

![]() |
![]() 7MBR 10SA-120 |
![]() Other |
![]() |
![]() Data Sheet |
![]() Negotiable |
|
||||
![]() |
![]() 7MBR100SB060 |
![]() Other |
![]() |
![]() Data Sheet |
![]() Negotiable |
|
||||
![]() |
![]() 7MBR100SD060 |
![]() Other |
![]() |
![]() Data Sheet |
![]() Negotiable |
|
||||
![]() |
![]() 7MBR100U4B120 |
![]() Other |
![]() |
![]() Data Sheet |
![]() Negotiable |
|
||||
![]() |
![]() 7MBR10NE120 |
![]() Other |
![]() |
![]() Data Sheet |
![]() Negotiable |
|
||||
![]() |
![]() 7MBR10SA120 |
![]() Other |
![]() |
![]() Data Sheet |
![]() Negotiable |
|
||||
(China (Mainland))








