Product Summary
The 7MBR25UG120 is an IGBT module. The applications of the 7MBR25UG120 include Inverter for Motoe Drive, AC and DC Servo Drive Amplifier, Uninterruptible Power Supply.
Parametrics
7MBR25UG120 absolute maximum ratings: (1)Collector-Emitter voltage: 1200V; (2)Gate-Emitter voltage: ±20V; (3)Collector current Continous at TC=25℃: 25A; (4)Collector current Continous at TC=80℃: 15A; (5)Collector current 1ms at TC=25℃: 30A; (6)Collector current 1ms at TC=80℃: 25A; (7)Collector power disspation: 115W; (8)Collector-Emitter voltage: 1200V; (9)Gate-Emitter voltage: ±20V; (10)Repetitive peak reverse voltage: 1200V; (11)Repetitive peak reverse voltage: 1600V; (12)Average output current 50Hz/60Hz sine wave: 25A; (13)Surge current (Non-Repetitive): 260A.
Features
7MBR25UG120 features: (1) Low VCE (sat); (2) Compact Package; (3) P.C. Board Mount Module; (4) Converter Diode Bridge Dynamic Brake Circuit.
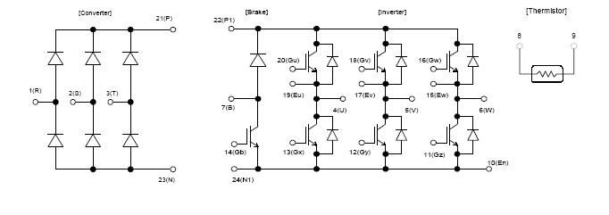
Diagrams

![]() |
![]() 7MBR 10SA-120 |
![]() Other |
![]() |
![]() Data Sheet |
![]() Negotiable |
|
||||
![]() |
![]() 7MBR100SB060 |
![]() Other |
![]() |
![]() Data Sheet |
![]() Negotiable |
|
||||
![]() |
![]() 7MBR100SD060 |
![]() Other |
![]() |
![]() Data Sheet |
![]() Negotiable |
|
||||
![]() |
![]() 7MBR100U4B120 |
![]() Other |
![]() |
![]() Data Sheet |
![]() Negotiable |
|
||||
![]() |
![]() 7MBR10NE120 |
![]() Other |
![]() |
![]() Data Sheet |
![]() Negotiable |
|
||||
![]() |
![]() 7MBR10SA120 |
![]() Other |
![]() |
![]() Data Sheet |
![]() Negotiable |
|
||||
(China (Mainland))








