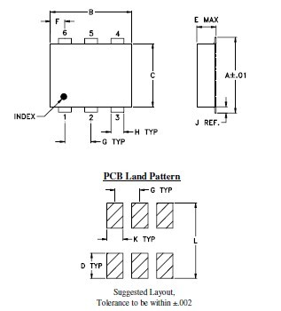
Product Summary
The ADP-2-1+ is a Surface Mount Power Splitter. The applicatiions of ADP-2-1+ are: instrumentation, VHF/UHF.
Parametrics
ADP-2-1+ absolute maximum ratings: (1)Operating Temperature -40℃ to 85℃; (2)Storage Temperature -55℃ to 100℃; (3)Power Input (as a splitter) 0.5W max; (4)Internal Dissipation 0.125W max.
Features
ADP-2-1+ features: (1)low insertion loss, 0.3 dB typ.; (2)excellent amplitude unbalance, 0.10 dB typ.; (3)very good phase unbalance, 0.5 deg. typ.; (4)aqueous washable; (5)protected under U.S. Patent 6,133,525.
Diagrams

![]() |
![]() ADP-201 |
![]() |
![]() THINERGY APPLICATION DEV KIT |
![]() Data Sheet |
![]()
|
|
||||||||||||
![]() |
![]() ADP-46 |
![]() |
![]() ENERGIZER ADAPTOR |
![]() Data Sheet |
![]()
|
|
||||||||||||
![]() |
![]() ADP-I2C-USB-Z |
![]() |
![]() USB TO I2C CONNECTOR |
![]() Data Sheet |
![]()
|
|
||||||||||||
![]() |
![]() ADP-RPSM-SMAF |
![]() Linx Technologies |
![]() RF Adapters - In Series RP-SMA Male to SMA Female Adaptor |
![]() Data Sheet |
![]()
|
|
||||||||||||
![]() |
![]() ADP-SMAF-SMAF |
![]() Linx Technologies |
![]() RF Adapters - In Series SMA Female to SMA Female Adapter |
![]() Data Sheet |
![]()
|
|
||||||||||||
![]() |
![]() ADP-SMAM-RPSF |
![]() Linx Technologies |
![]() RF Adapters - In Series RP-SMA Female to SMA Male Adaptor |
![]() Data Sheet |
![]()
|
|
||||||||||||
(China (Mainland))











