Product Summary
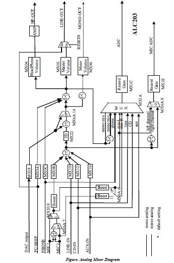
The ALC203 is a compatible stereo audio CODEC designed for PC multimedia systems. The ALC203 incorporates proprietary converter technology to achieve a high SNR, greater than 100 dB, sensing logics for device reporting and Universal Audio JackR to improve user interface. The ALC203 supports multiple CODEC extensions with independent variable sampling rates and built-in 3D effects. The ALC203 provides two pairs of stereo outputs with independent volume controls, a mono output, and multiple stereo and mono inputs, along with flexible mixing, gain and mute functions to provide a complete integrated audio solution for PCs.
Parametrics
ALC203 absolute maximum ratings: (1)power supplies, digital, DVDD: 6.0 to 3.6V, 3.3V typ; analog, AVDD: 3.0 to 5.5V, 5.0V typ; (2)Operating Ambient Temperature, Ta: 0 to +70℃; (3)Storage Temperature, Ts: +125℃; (4)ESD (Electrostatic Discharge), Susceptibility Voltage, Pin 9: 4500V; Other Pins: 5000V.
Features
ALC203 features: (1)High quality differential CD input; (2)Two analog line-level mono input: PCBEEP, PHONE-IN; (3)Supports double sampling rate (96KHz) of DVD audio playback; (4)Two software selectable MIC inputs; (5)+6/12/20/30dB boost preamplifier for MIC input; (6)Stereo output with 6-bit volume control; (7)Mono output with 5-bit volume control; (8)Headphone output with 50mW/20兌 amplifier; (9)3D Stereo Enhancement; (10)Single chip with high S/N ratio (>100 dB); (11)Meets performance requirements for audio on PC99/2001 systems; (12)Meets Microsoft WHQL/WLP 2.0 audiorequirements; (13)20-bit DAC and 18-bit ADC resolution; (14)18-bit Stereo full-duplex CODEC with independent and variable sampling rate.
Diagrams

![]() |
![]() ALC260D-VE-LF |
![]() Other |
![]() |
![]() Data Sheet |
![]() Negotiable |
|
||||
![]() |
![]() ALC202 |
![]() Other |
![]() |
![]() Data Sheet |
![]() Negotiable |
|
||||
(China (Mainland))








