Product Summary
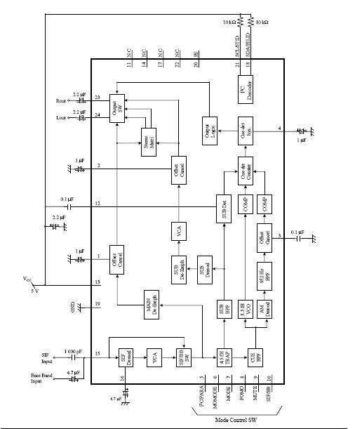
The AN16379A is a TV sound multiplex demodulator IC corresponding to both I2C-bus control and parallel control for Japan. The functions of a SIF demodulation, a STEREO demodulation, and a Bilingual demodulation are built in. The applications of the AN16379A include TV, VCR, DVD recorder, PC, etc. for Japan.
Parametrics
AN16379A absolute maximum ratings: (1)Supply voltage VCC: 6.0V; (2)Supply current ICC: 32mA; (3)Power dissipation: 156mW; (4)Operating ambient temperature:–20℃ to 85℃; (5)Storage temperature Tstg: –55℃ to 125℃.
Features
AN16379A features: (1) Controllable by either I2C bus or parallel; (2) Built-in SIF demodulation circuit; (3) Perfect adjustment free (in the case of use in SIF input). In use in base band input, one adjustment is required; (4) Reduction of external parts; (5) Low power consumption (TYP: VCC = 5 V, I tot = 22mA).
Diagrams

![]() |
![]() AN16996A |
![]() Other |
![]() |
![]() Data Sheet |
![]() Negotiable |
|
||||
![]() |
![]() AN168 |
![]() Other |
![]() |
![]() Data Sheet |
![]() Negotiable |
|
||||
(China (Mainland))








