Product Summary
The CMM6004-SC-0GOT is a high dynamic range amplifier designed for applications operating within the 0.25 to 3.0 GHz frequency range. It is an ideal solution for transmit and receive functions where high linearity is required. The amplifier of the CMM6004-SC-0GOT has the flexibility of being optimized for a number of wireless applications. The combination of low NF and high IP3 at the same bias point make it an ideal transmit or receive solution when used in applications including cellular and PCS (personal communications service) operating from 0.8 to 2.2 GHz; MMDS (multichannel multipoint distribution systems) operating from 2.2 to 2.7 GHz; and WLAN (wireless LAN) operating at 2.4 GHz. The CMM6004-SC is packaged in a low-cost, space efficient, surface mount SOT-89 package which provides excellent electrical stability and low thermal resistance. All devices are 100% RF and DC tested.
Parametrics
CMM6004-SC-0GOT absolute maximum ratings: (1)Supply Voltage: +6.0 V; (2)RF Input Power: +20 dBm; (3)Storage Temperature (Tstg): -55 ℃ to +125 ℃; (4)Junction Temperature: 150 ℃; (5)Operating Temperature: -40 ℃ to +85℃; (6)Thermal Resistance: 52 ℃/W.
Features
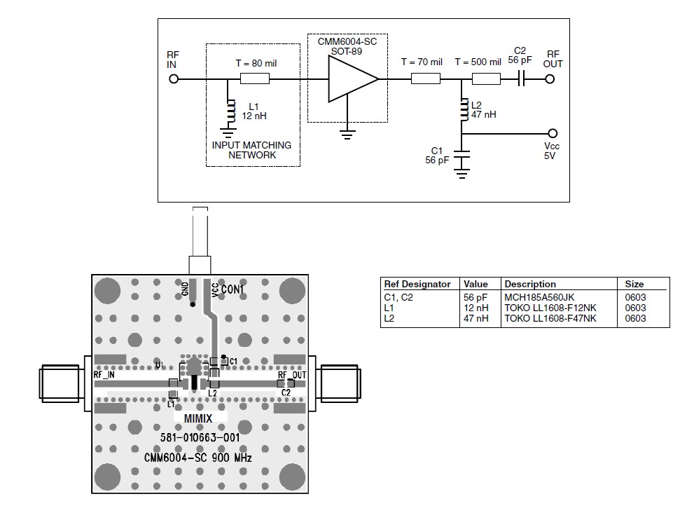
CMM6004-SC-0GOT features: (1)0.25 to 3.0 GHz Frequency Range; (2)41 dBm Output IP3; (3)2.1 dB Noise Figure; (4)14.5 dB Gain; (5)23.5 dBm P1dB; (6)SOT-89 SMT Package; (7)Single Power Supply; (8)+3V to +5V Voltage Rail.
Diagrams

![]() |
![]() CMM6004-SC-0G0T |
![]() M/A-COM Technology Solutions |
![]() RF Amplifier .05-3.0GHz NF2.1dB Gain 14.5dB |
![]() Data Sheet |
![]()
|
|
||||||||
![]() |
![]() CMM6004-SC |
![]() Other |
![]() |
![]() Data Sheet |
![]() Negotiable |
|
||||||||
![]() |
![]() CMM6004-AH-0G0x |
![]() Other |
![]() |
![]() Data Sheet |
![]() Negotiable |
|
||||||||
![]() |
![]() CMM6004-AH |
![]() Other |
![]() |
![]() Data Sheet |
![]() Negotiable |
|
||||||||
![]() |
![]() CMM6003-SC |
![]() Other |
![]() |
![]() Data Sheet |
![]() Negotiable |
|
||||||||
![]() |
![]() CMM6001-SC |
![]() Other |
![]() |
![]() Data Sheet |
![]() Negotiable |
|
||||||||
(China (Mainland))








