Product Summary
The CPV362M4U is an IGBT SIP module. The IGBT technology is the key to International Rectifier’s advanced line of IMS (Insulated Metal Substrate) Power Modules. The CPV362M4U is more efficient than comparable bipolar transistor modules, while at the same time having the simpler gate-drive requirements of the familiar power MOSFET. The CPV362M4U has now been coupled to a state of the art materials system that maximizes power throughput with low thermal resistance. This package is highly suited to motor drive applications and where space is at a premium.
Parametrics
CPV362M4U absolute maximum ratings: (1)VCES Collector-to-Emitter Voltage: 600V; (2)IC @ TC = 25℃ Continuous Collector Current, each IGBT: 7.2A; (3)IC @ TC = 100℃ Continuous Collector Current, each IGBT: 3.9A; (4)ICM Pulsed Collector Current: 22A; (5)ILM Clamped Inductive Load Current: 22A; (6)IF @ TC = 100℃ Diode Continuous Forward Current: 3.4A; (7)IFM Diode Maximum Forward Current: 22A; (8)VGE Gate-to-Emitter Voltage: ±20V; (9)VISOL Isolation Voltage, any terminal to case, 1 minute: 2500 VRMS; (10)PD @ TC = 25℃ Maximum Power Dissipation, each IGBT: 23W; (11)PD @ TC = 100℃ Maximum Power Dissipation, each IGBT: 9.1W; (12)TJ Operating Junction and Storage Temperature Range: -40℃ to +150℃.
Features
CPV362M4U features: (1)Fully isolated printed circuit board mount package; (2)Switching-loss rating includes all "tail" losses; (3)HEXFREDTM soft ultrafast diodes; (4)Optimized for high operating frequency (over 5kHz) for Current vs. Frequency curve.
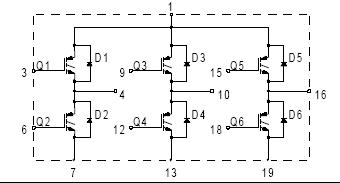
Diagrams

| Image | Part No | Mfg | Description | ![]() |
Pricing (USD) |
Quantity | ||||||
|---|---|---|---|---|---|---|---|---|---|---|---|---|
![]() CPV362M4U |
![]() |
![]() IGBT SIP MODULE 600V 3.9A IMS-2 |
![]() Data Sheet |
![]()
|
|
|||||||
![]() |
![]() CPV362M4UPbF |
![]() Other |
![]() |
![]() Data Sheet |
![]() Negotiable |
|
||||||
(China (Mainland))









