Product Summary
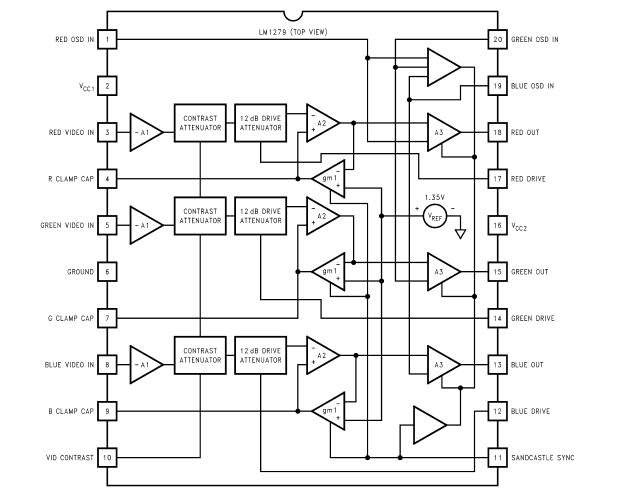
The LM1279N is a full featured and low cost video amplifier with OSD (On Screen Display). 8V operation for low power and increased reliability. Supplied in a 20-pin DIP package, accommodating very compact designs of the video channel requiring OSD. All video functions controlled by 0V to 4V high impedance DC inputs. The LM1279N provides easy interfacing to 5V DACs used in computer controlled systems and digital alignment systems. Unique OSD switching, no OSD switching signal required. An OSD signal at any OSD input typically switches the LM1279N to the OSD mode within 5 ns. Ideal video amplifier for the low cost OSD monitor with resolutions up to 1280 x 1024. The LM1279N provides superior protection against ESD. Excellent alternative for the MC13282 in new designs.
Parametrics
LM1279N absolute maximum ratings: (1)Supply Voltage Pins 2 and 16: 10V; (2)Peak Video Output Source Current (Any One Amp) Pins 13, 15, or 18: 28 mA; (3)Voltage at Any Input Pin (VIN): VCC ≥ VIN ≥ GND; (4)Power Dissipation (PD) (Above 25℃ Derate Based on θJA and TJ): 2.1W; (5)Thermal Resistance to Ambient (θJA): 60℃/W; (6)Thermal Resistance to Case (θJA): 37℃/W; (7)Junction Temperature (TJ): 150℃; (8)ESD Susceptibility: 3.5 kV; (9)ESD Machine Model: 300V; (10)Storage Temperature: -65℃ to 150℃; (11)Lead Temperature (Soldering, 10 sec.): 265℃.
Features
LM1279N features: (1)Three wideband video amplifiers 110 MHz @ -3dB (4 VPP output); (2)OSD signal to any OSD input pin automatically switches all 3 outputs to the OSD mode; (3)Fast OSD switching time, typically 5 ns; (4)3.5 kV ESD protection; (5)Fixed cutoff level typically set to 1.35V; (6)0V to 4V, high impedance DC contrast control with over 40 dB range; (7)0V to 4V, high impedance DC drive control (0 dB to -12 dB range); (8)Matched (±0.3 dB or 3.5%) attenuators for contrast control; (9)Output stage directly drives CRT drivers; (10)Ideal combination with LM2407 CRT driver.
Diagrams

| Image | Part No | Mfg | Description | ![]() |
Pricing (USD) |
Quantity | ||||
|---|---|---|---|---|---|---|---|---|---|---|
![]() |
![]() LM1279N |
![]() |
![]() IC VIDEO AMP SYS 110MHZ 20-DIP |
![]() Data Sheet |
![]() Negotiable |
|
||||
| Image | Part No | Mfg | Description | ![]() |
Pricing (USD) |
Quantity | ||||
![]() |
![]() LM12 |
![]() Other |
![]() |
![]() Data Sheet |
![]() Negotiable |
|
||||
![]() |
![]() LM12 80W |
![]() Other |
![]() |
![]() Data Sheet |
![]() Negotiable |
|
||||
![]() |
![]() LM120 |
![]() Other |
![]() |
![]() Data Sheet |
![]() Negotiable |
|
||||
![]() |
![]() LM1201 |
![]() Other |
![]() |
![]() Data Sheet |
![]() Negotiable |
|
||||
![]() |
![]() LM1203 |
![]() Other |
![]() |
![]() Data Sheet |
![]() Negotiable |
|
||||
![]() |
![]() LM1203A |
![]() Other |
![]() |
![]() Data Sheet |
![]() Negotiable |
|
||||
(China (Mainland))










