Product Summary
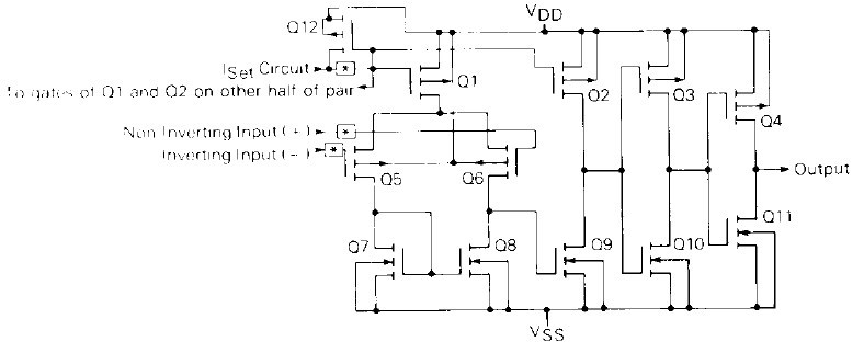
The MC14573P is a quad operational low power amplifier and comparator using the complementary P channel and N channel enhancement MOS devices in a single monolithic structure. The operating current of MC14573P is externally programmed with a resistor to provide a choice in the tradeoff of power dissipation and slew rates.
Parametrics
MC14573P absolute maximum ratings: (1)DC supply voltage: -0.5 to 18V; (2)Input volatge: -0.5 to VDD+0.5V; (3)DC Input current: ±10mA; (4)Programming current range: 2mA; (5)Operating temperature range: -40 to 85℃; (6)Storage temperature range: -65 to 150℃; (7)Package power dissipation: 800mW.
Features
MC14573P features: (1)operating temperature range: -40 to 85℃; (2)power supply: 3.0 to 15V; (3)Wide input volatge range; (4)common mode range: 2.0V; (5)Externally programmable power consumption with One or two resistors; (6)Internally compensated operational amplifiers; (7)High input impedance.
Diagrams

![]() |
![]() MC14000UB |
![]() Other |
![]() |
![]() Data Sheet |
![]() Negotiable |
|
||||||||||||||||
![]() |
![]() MC14001B |
![]() Other |
![]() |
![]() Data Sheet |
![]() Negotiable |
|
||||||||||||||||
![]() |
![]() MC14001BCP |
![]() ON Semiconductor |
![]() IC GATE NOR QUAD CMOS 14DIP |
![]() Data Sheet |
![]()
|
|
||||||||||||||||
![]() |
![]() MC14001BCPG |
![]() ON Semiconductor |
![]() Gates (AND / NAND / OR / NOR) 3-18V Quad 2-Input NOR |
![]() Data Sheet |
![]()
|
|
||||||||||||||||
![]() |
![]() MC14001BDG |
![]() ON Semiconductor |
![]() Gates (AND / NAND / OR / NOR) 3-18V Quad 2-Input NOR |
![]() Data Sheet |
![]()
|
|
||||||||||||||||
![]() |
![]() MC14001BDR2 |
![]() |
![]() IC GATE NOR QUAD CMOS 14SOIC |
![]() Data Sheet |
![]()
|
|
||||||||||||||||
(China (Mainland))










