Product Summary
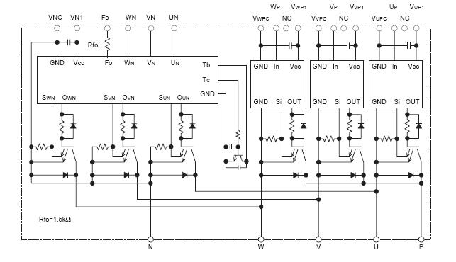
The PM15CNA060 is an intelligent power module. The applications of the PM15CNA060 include General purpose inverter, servo drives and other motor controlers.
Parametrics
PM15CNA060 absolute maximum ratings: (1)Collector-Emitter Voltage VD = 15V, VCIN = 15V: 600V; (2)Collector Current TC=25℃: 15A; (3)Collector Current (Peak) TC=25℃: 30A; (4)Collector Dissipation TC=25℃: 43W; (5)Junction Temperature: -20℃ to 125℃.
Features
PM15CNA060 features: (1)3 phase IGBT (15A/600V) inverter output; (2)Monolithic gate drive & protection logic circuit; (3)Protection logic; (4)Over circuit (OC); (5)Short circuit (SC); (6)Over temperature (OT); (7)Under voltage lock-out (UV); (8)UL Recognized.
Diagrams

![]() |
![]() PM150CBS060 |
![]() Other |
![]() |
![]() Data Sheet |
![]() Negotiable |
|
||||||
![]() |
![]() PM150CL1A060 |
![]() Other |
![]() |
![]() Data Sheet |
![]() Negotiable |
|
||||||
![]() |
![]() PM150CL1A120 |
![]() Other |
![]() |
![]() Data Sheet |
![]() Negotiable |
|
||||||
![]() |
![]() PM150CL1B060 |
![]() Other |
![]() |
![]() Data Sheet |
![]() Negotiable |
|
||||||
![]() |
![]() PM150CLA060 |
![]() |
![]() MOD IPM L-SER 6PAC 600V 150A |
![]() Data Sheet |
![]()
|
|
||||||
![]() |
![]() PM150CLA120 |
![]() |
![]() MOD IPM L-SER 6PAC 1200V 150A |
![]() Data Sheet |
![]()
|
|
||||||
(China (Mainland))








