Product Summary
The RT8167AGQW is a dual single-phase synchronous Buck PWM controller with integrated gate drivers, compliant with Intel VR12/IMVP7 specification. A serial VID (SVID) interface is built-in in the RT8167AGQW to communicate with Intel VR12/IMVP7 compliant CPU. The integrated differential remote output voltage sensing function and built-in high accuracy DAC achieve accurate output voltage regulation. The applications of the RT8167AGQW include VR12 / IMVP7 Intel CPU Core Supply, AVP Step-down Converter, Notebook/ Netbook/ Desktop Computer CPU Core Supply.
Parametrics
RT8167AGQW absolute maximum ratings: (1)VCC to GND: -0.3V to 6.5V; (2)PVCC to GND: -0.3V to 6.5V; (3)RGNDx to GND: -0.3V to 0.3V; (4)TONSETx to GND: -0.3V to 28V; (5)Others: -0.3V to (VCC + 0.3V); (6)BOOTx to PHASEx: -0.3V to 6.5V; (7)PHASEx to GND DC: -0.3V to 28V; (8)<20ns: -8V to 32V; (9)UGATEx to PHASEx DC: -0.3V to (BOOTx-PHASEx); (10)<20ns: -5V to 7.5V; (11)LGATEx to GND DC: -0.3V to (PVCC-0.3V); (12)<20ns: -2.5V to 7.5V; (13)Power Dissipation, PD @ TA = 25℃ WQFN-48L 6x6: 2.857W; (14)Package Thermal Resistance (Note 2) WQFN-48L 6x6, θJA: 35℃/W; (15)WQFN-48L 6x6, θJC: 6℃/W; (16)Junction Temperature: 150℃; (17)Lead Temperature (Soldering, 10 sec.): 260℃; (18)Storage Temperature Range: -65℃ to 150℃; (19)ESD Susceptibility (Note 3) HBM (Human Body Mode): 2kV; (20)MM (Machine Mode): 200V.
Features
RT8167AGQW features: (1)G-NAVPTM (Green Native Active Voltage Positioning) Topology; (2)Dual Output Controller with Two Built-in Gate Drivers; (3)Serial VID Interface; (4)0.5% DAC Accuracy; (5)Differential Remote Output Voltage Sensing; (6)Built-in ADC for Platform Programming; (7)Diode Emulation Mode (DEM) at Light Load Condition; (8)Droop Enable/Disable; (9)Fast Transient Response; (10)VR12/IMVP7 Compatible Power Management States; (11)VR Ready Indicator; (12)Thermal Throttling Indicator; (13)Current Monitor Output; (14)Switching Frequency up to 1MHz per Phase; (15)Protection : OVP, UVP, NVP, OCP, UVLO; (16)Small 48-Lead WQFN Package; (17)RoHS Compliant and Halogen Free.
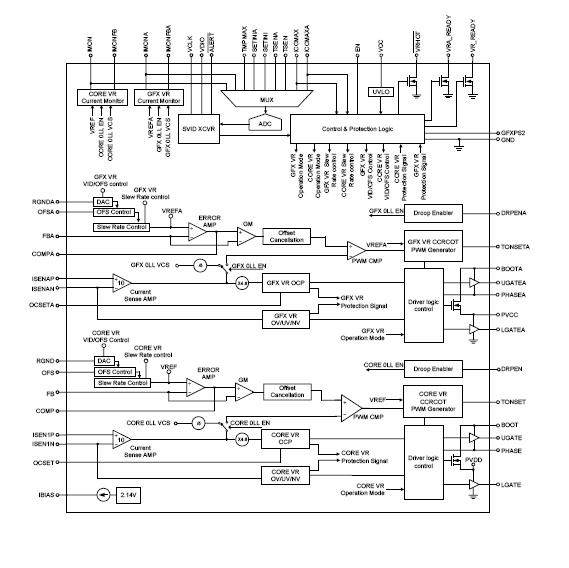
Diagrams

| Image | Part No | Mfg | Description | ![]() |
Pricing (USD) |
Quantity | ||||||||||||||||||
|---|---|---|---|---|---|---|---|---|---|---|---|---|---|---|---|---|---|---|---|---|---|---|---|---|
![]() |
![]() RT8167AGQW |
![]() |
![]() IC CTRLR BUCK PWM VM DL 48WQFN |
![]() Data Sheet |
![]()
|
|
||||||||||||||||||
| Image | Part No | Mfg | Description | ![]() |
Pricing (USD) |
Quantity | ||||||||||||||||||
![]() |
![]() RT8101/RT8101A |
![]() Other |
![]() |
![]() Data Sheet |
![]() Negotiable |
|
||||||||||||||||||
![]() |
![]() RT8101AGS |
![]() |
![]() IC REG CTRLR BUCK PWM VM 8-SOP |
![]() Data Sheet |
![]()
|
|
||||||||||||||||||
![]() |
![]() RT8101AGSP |
![]() |
![]() IC REG CTRLR BUCK PWM VM 8-SOP |
![]() Data Sheet |
![]()
|
|
||||||||||||||||||
![]() |
![]() RT8101GS |
![]() |
![]() IC REG CTRLR BUCK PWM VM 8-SOP |
![]() Data Sheet |
![]()
|
|
||||||||||||||||||
![]() |
![]() RT8101GSP |
![]() |
![]() IC REG CTRLR BUCK PWM VM 8-SOP |
![]() Data Sheet |
![]()
|
|
||||||||||||||||||
![]() |
![]() RT8105 |
![]() Other |
![]() |
![]() Data Sheet |
![]() Negotiable |
|
||||||||||||||||||
(China (Mainland))










