Product Summary
The SKKT42B16E is a Thyristor / Diode Module. The applications of the SKKT42B16E include DC motor control, AC motor soft starters, temperature control, professional light dimming.
Parametrics
SKKT42B16E absolute maximum ratings: (1)ITAV: 40 (28) A at Tc=85 (100)℃; (2)ID: 50/60 A at Ta=45℃, 85/110 A at Ta=35℃; (3)IRMS: 110/3*85 A; (4)ITSM: 1000 A at Tvj=25, 850 A at Tvj=125℃; (5)i2t: 5000 A2s at Tvj=25℃, 3600 A2s at Tvj=130℃; (6)VT: 1.95 V max at Tvj=25℃, IT=500 A; (7)VT(TO): 1 V max at Tvj=125℃; (8)rT: 4.5 mΩ max at Tvj=130℃; (9)IDD; IRD: 15 mA max at Tvj=130℃, VRD=VRRM.
Features
SKKT42B16E features: (1)heat transfer and isolation through aluminium oxide ceramic isolated metal baseplate; (2)hard soldered joints for high reliability; (3)UL recognized, file no. E 63 532.
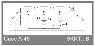
Diagrams

![]() |
![]() SKKT 213 |
![]() Other |
![]() |
![]() Data Sheet |
![]() Negotiable |
|
||||
![]() |
![]() SKKT 253 |
![]() Other |
![]() |
![]() Data Sheet |
![]() Negotiable |
|
||||
![]() |
![]() SKKT 56 |
![]() Other |
![]() |
![]() Data Sheet |
![]() Negotiable |
|
||||
![]() |
![]() SKKT 57 |
![]() Other |
![]() |
![]() Data Sheet |
![]() Negotiable |
|
||||
![]() |
![]() SKKT 57B |
![]() Other |
![]() |
![]() Data Sheet |
![]() Negotiable |
|
||||
![]() |
![]() SKKT105 |
![]() Other |
![]() |
![]() Data Sheet |
![]() Negotiable |
|
||||
(China (Mainland))








