Product Summary
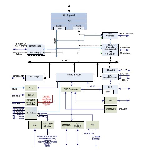
AMD 218S7EBLA12FG Southbridge integrates the key I/O, communications, and audio features required in a state-ofthe-art PC into a single device. The 218S7EBLA12FG is specifically designed to operate with AMD RADEON IGP Xpress family of integrated graphics processor products in both desktop and mobile PCs.
Features
218S7EBLA12FG features: (1)SATA Controller supports two additional ports providing a total of six SATA ports.; (2)SATA controller supports a unique architecture that allows the user to configure the SATA controller to work in-onjunction with the PATA controller to provide configurations that cannot be supported with SATA controller alone. This feature is referred as Combined Mode in this document..
Diagrams

![]() |
![]() 218S6ECLA21FG |
![]() Other |
![]() |
![]() Data Sheet |
![]() Negotiable |
|
||||
![]() |
![]() 218SMTDIP |
![]() Other |
![]() |
![]() Data Sheet |
![]() Negotiable |
|
||||
(China (Mainland))








