Product Summary
The 2SB1261 is a PNP silicon epitaxial transistor. It is designed for Audio Frequency Amplifier and Switching, especially in Hybrid Integrated Circuits.
Parametrics
2SB1261 absolute maximum ratings: (1)Collector to Base Voltage: -60V; (2)Collector to Emitter Voltage: -60V; (3)Emitter to Base Voltage: -7.0V; (4)Collector current (DC): -3.0A; (5)Collector current (Pulse): -5.0A; (6)Base Current (DC): -0.5A; (7)Total Power Dissipation (TA=25℃): 2.0W; (8)Total Power Dissipation (TC=25℃): 10W; (9)Junction Temperature: 150℃; (10)Storage Temperature: -55℃ to 1501℃.
Features
2SB1261 features: (1)High hFE: hFE=100 to 400; (2)Low VCE (sat): VCE (sat)≤0.3V.
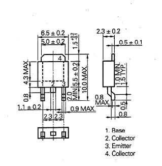
Diagrams

| Image | Part No | Mfg | Description | ![]() |
Pricing (USD) |
Quantity | ||||
|---|---|---|---|---|---|---|---|---|---|---|
![]() |
![]() 2SB1261-Z-T1 |
![]() Other |
![]() |
![]() Data Sheet |
![]() Negotiable |
|
||||
![]() |
![]() 2SB1261-Z |
![]() Other |
![]() |
![]() Data Sheet |
![]() Negotiable |
|
||||
(China (Mainland))









