Product Summary
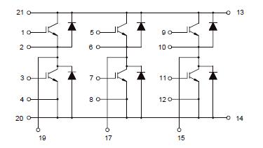
The CM100TJ-24F Powerex IGBTMOD Module is designed for use in switching applications. It consists of six IGBT Transistors in a three phase bridge configuration, with each transistor having a reverseconnected super-fast recovery free-wheel diode. All components and interconnects of CM100TJ-24F are isolated from the heat sinking baseplate, offering simplified system assembly and thermal management. The applications of the CM100TJ-24F include AC Motor Control, UPS, Battery Powered Supplies.
Parametrics
CM100TJ-24F absolute maximum ratings: (1)Junction Temperature: -40 to 150 ℃; (2)Storage Temperature: -40 to 125 ℃; (3)Collector-Emitter Voltage (G-E SHORT): 1200 Volts; (4)Gate-Emitter Voltage (C-E SHORT): ±20 Volts; (5)Collector Current (Tc = 25℃): 100 Amperes; (6)Peak Collector Current (Tj ≤ 150℃): 200* Amperes; (7)Emitter Current (Tc = 25℃): 100 Amperes; (8)Peak Emitter Current: 200 Amperes; (9)Maximum Collector Dissipation (Tj < 150℃) (Tc = 25℃): 390 Watts; (10)Mounting Torque, M5 Mounting: 31 in-lb; (11)Weight: 300 Grams; (12)Isolation Voltage (Main Terminal to Baseplate, AC 1 min.): 2500 Volts.
Features
CM100TJ-24F features: (1)Low Drive Power; (2)Low VCE(sat); (3)Discrete Super-Fast Recovery, Free-Wheel Diode; (4)Isolated Baseplate for Easy Heat Sinking.
Diagrams

| Image | Part No | Mfg | Description | ![]() |
Pricing (USD) |
Quantity | ||||||
|---|---|---|---|---|---|---|---|---|---|---|---|---|
![]() |
![]() CM100TJ-24F |
![]() Other |
![]() |
![]() Data Sheet |
![]() Negotiable |
|
||||||
| Image | Part No | Mfg | Description | ![]() |
Pricing (USD) |
Quantity | ||||||
![]() |
![]() CM10 |
![]() |
![]() FPE04-6U NO FRONT PANEL |
![]() Data Sheet |
![]()
|
|
||||||
![]() |
![]() CM100 |
![]() AMPROBE |
![]() Environmental Test Equipment CARBON MONOXIDE W/ADJUST CO |
![]() Data Sheet |
![]() Negotiable |
|
||||||
![]() |
![]() CM1000 |
![]() Other |
![]() |
![]() Data Sheet |
![]() Negotiable |
|
||||||
![]() CM1000DU-34NF |
![]() |
![]() IGBT MOD DUAL 1700V 1000A NF SER |
![]() Data Sheet |
![]() Negotiable |
|
|||||||
![]() |
![]() CM1000HA-24H |
![]() |
![]() IGBT MOD SGL 1200V 1000A H SER |
![]() Data Sheet |
![]() Negotiable |
|
||||||
![]() |
![]() CM1000HA-28H |
![]() |
![]() IGBT MOD SGL 1400V 1000A H SER |
![]() Data Sheet |
![]() Negotiable |
|
||||||
(China (Mainland))










