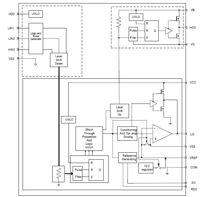
Product Summary
The IRS21956S is a high voltage and programmable ramp slope control gate driver for MOSFET and IGBT with single low side dual mode driver, high side driver and floating 5V input. Proprietary HVIC and latch immune CMOS technologies enable ruggedized monolithic construction. The floating logic input of the IRS21956S is compatible with standard 5V CMOS or LSTTL output. The output driver features a programmable slope control by external R/C and input signals. The floating channels can be used to drive an N-channel power MOSFET or IGBT in the high side configuration, which operates up to 600 volts above the COM ground.
Parametrics
IRS21956S absolute maximum ratings: (1)VDD Floating Input Supply Voltage: -0.3V to 625V; (2)VSS Floating Input Supply Return Voltage: VDD -25V to VDD +0.3V; (3)VIN Logic input voltage (LIN1,LIN2,HIN3): VSS -0.3V to VDD +0.3V; (4)VCC Low side supply voltage: -0.3V to 25 V; (5)V DV, VVREF Low side inputs voltage: COM-0.3V to VCC+0.3V; (6)VVSE, VRES Low side inputs voltage: COM-0.3V to VCC+0.3V; (7)VLO Low side gate drive output voltage: COM-0.3V tol VCC+0.3V; (8)VB High side floating well supply voltage: -0.3V to 625V; (9)VS High side floating well supply return voltage: VB-25 to VB+0.3V; (10)VHO Floating gate drive output voltage: VS-0.3 to VB+0.3 V; (11)dVSS/dt Allowable VSS offset supply transient relative to COM: 50 V/ns; (12)dVS/dt Allowable VS offset supply transient relative to COM: 50V/ns; (13)PD Package Power Dissipation @ TA≤+25℃: - 1.0W; (14)RθJA Thermal Resistance, Junction to Ambient: -120℃/W; (15)TJ Junction Temperature:-55℃ to 150℃; (16)TS Storage Temperature: -55℃ to 150℃; (17)TL Lead temperature (Soldering, 10 seconds): - 300℃.
Features
IRS21956S features: (1)Low side programmable ramp gate drive; (2)Low side generic gate drive integrated using the same low side output pin; (3)High side generic gate driver; (4)Under voltage lockout for VDD, VCC & VBS; (5)Floating 5V input logic compatible; (6)Tolerant to negative transient voltage on Vs; (7)Shoot through prevention; (8)RoHS compliant.
Diagrams

| Image | Part No | Mfg | Description | ![]() |
Pricing (USD) |
Quantity | ||||||||||||
|---|---|---|---|---|---|---|---|---|---|---|---|---|---|---|---|---|---|---|
![]() |
![]() IRS21956SPBF |
![]() International Rectifier |
![]() Power Driver ICs |
![]() Data Sheet |
![]()
|
|
||||||||||||
![]() |
![]() IRS21956STRPBF |
![]() International Rectifier |
![]() Power Driver ICs Dual Drvr IC w/ floating Inpt |
![]() Data Sheet |
![]()
|
|
||||||||||||
(China (Mainland))









