Product Summary
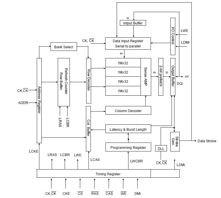
The K4D263238F-UC50 is a 1M × 32Bit × 4 banks double data rate synchronous DRAM with bi-directional data strobe and DLL. Synchronous features with Data Strobe allow extremely high performance up to 2.0GB/s/chip. I/O transactions are possible on both edges of the clock cycle. Range of operating frequencies, programmable burst length and programmable latencies allow the device to be useful for a variety of high performance memory system applications.
Parametrics
K4D263238F-UC50 absolute maxing ratings: (1)Voltage on any pin relative to Vss VIN, VOUT: -0.5 ~ 3.6 V; (2)Voltage on VDD supply relative to Vss VDD: -1.0 ~ 3.6 V; (3)Voltage on VDD supply relative to Vss VDDQ; -0.5 ~ 3.6 V; (4)Storage temperature TSTG: -55 ~ +150 ℃; (5)Power dissipation PD: 1.8 W; (6)Short circuit current IOS: 50 mA.
Features
K4D263238F-UC50 features: (1)Full page burst length for sequential burst type only; (2)Start address of the full page burst should be even; (3)All inputs except data & DM are sampled at the positive going edge of the system clock; (4)Differential clock input; (5)No Write Interrupted by Read function; (6)Data I/O transactions on both edges of Data strobe; (7)DLL aligns DQ and DQS transitions with Clock transition; (8)Edge aligned data & data strobe output.
Diagrams

![]() |
![]() K4D261638E |
![]() Other |
![]() |
![]() Data Sheet |
![]() Negotiable |
|
||||
![]() |
![]() K4D261638F |
![]() Other |
![]() |
![]() Data Sheet |
![]() Negotiable |
|
||||
![]() |
![]() K4D263238A-GC |
![]() Other |
![]() |
![]() Data Sheet |
![]() Negotiable |
|
||||
![]() |
![]() K4D263238A-GC33 |
![]() Other |
![]() |
![]() Data Sheet |
![]() Negotiable |
|
||||
![]() |
![]() K4D263238E-GC |
![]() Other |
![]() |
![]() Data Sheet |
![]() Negotiable |
|
||||
![]() |
![]() K4D263238E-GC33 |
![]() Other |
![]() |
![]() Data Sheet |
![]() Negotiable |
|
||||
(China (Mainland))








