Product Summary
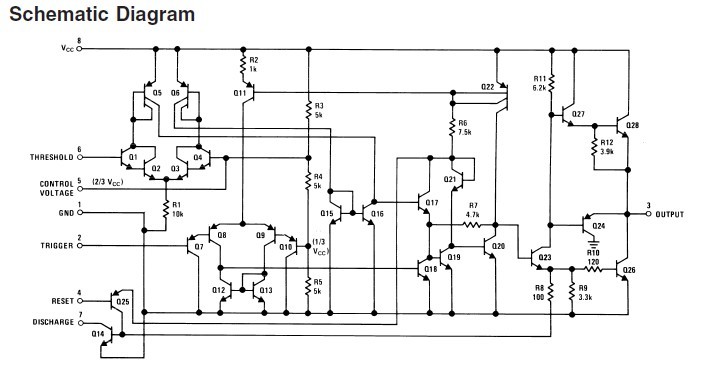
The LM555CN is a highly stable device for generating accurate time delays or oscillation. Additional terminals are provided for triggering or resetting if desired. In the time delay mode of operation, the time of LM555CN is precisely controlled by one external resistor and capacitor. For astable operation as an oscillator, the free running frequency and duty cycle are accurately controlled with two external resistors and one capacitor. The circuit of LM555CN may be triggered and reset on falling waveforms, and the output circuit can source or sink up to 200mA or drive TTL circuits.
Parametrics
LM555CN absolute maximum ratings: (1)Supply Voltage: +18V; (2)Power Dissipation: 1180mW; (3)Operating Temperature Ranges: 0℃ to +70℃; (4)Storage Temperature Range: -65℃ to +150℃; (5)Soldering Information, Dual-In-Line Package, Soldering (10 Seconds): 260℃; (6)Vapor Phase (60 Seconds): 215℃; (7)Infrared (15 Seconds): 220℃.
Features
LM555CN features: (1)Direct replacement for SE555/NE555; (2)Timing from microseconds through hours; (3)Operates in both astable and monostable modes; (4)Adjustable duty cycle; (5)Output can source or sink 200 mA; (6)Output and supply TTL compatible; (7)Temperature stability better than 0.005% per ℃; (8)Normally on and normally off output; (9)Available in 8-Pin MDIP package.
Diagrams

| Image | Part No | Mfg | Description | ![]() |
Pricing (USD) |
Quantity | ||||||||||||
|---|---|---|---|---|---|---|---|---|---|---|---|---|---|---|---|---|---|---|
![]() |
![]() LM555CN |
![]() Fairchild Semiconductor |
![]() Timers & Support Products Single Timer |
![]() Data Sheet |
![]()
|
|
||||||||||||
![]() |
![]() LM555CN/NOPB |
![]() National Semiconductor (TI) |
![]() Timers & Support Products TIMER |
![]() Data Sheet |
![]()
|
|
||||||||||||
(China (Mainland))









