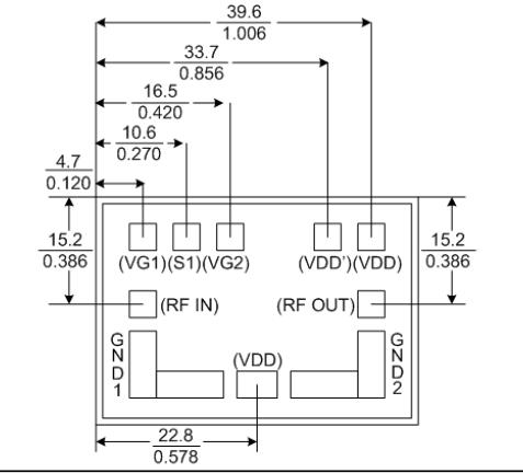
Product Summary
The MAAM00010 is a Wide Band GaAs MMIC Amplifier. It includes two integrated gain stages and employs resistive feedback to obtain flat gain and a good, 50 ohm input, and output impedance match over a very wide bandwidth. The MAAM00010 operates from a single +6 V supply. It is fully monolithic.
Parametrics
MAAM00010 absolute maximum ratings: (1)VDD: +7V; (2)Input Power: +20dBm; (3)Channel Temperature: +150℃; (4)Operating Temperature: -55℃ to +100℃; (5)Storage Temperature: -65℃ to +150℃.
Features
MAAM00010 features: (1) High Gain: 19 dB Typical; (2) Output Power: +14dBm Typical; (3) Noise Figure: 3.7 dB Typical; (4) RoHS Compliant.
Diagrams

![]() |
![]() MAAM-007796 |
![]() Other |
![]() |
![]() Data Sheet |
![]() Negotiable |
|
||||||||||||
![]() |
![]() MAAM-007805 |
![]() Other |
![]() |
![]() Data Sheet |
![]() Negotiable |
|
||||||||||||
![]() |
![]() MAAM-009116-TR3000 |
![]() M/A-COM Technology Solutions |
![]() RF Amplifier 50-1000MHz NF 2.4dB Gain 18dB typ. |
![]() Data Sheet |
![]()
|
|
||||||||||||
![]() |
![]() MAAM-009320-TR3000 |
![]() M/A-COM Technology Solutions |
![]() RF Amplifier 400-2700MHz Gain 25.5dB |
![]() Data Sheet |
![]()
|
|
||||||||||||
![]() |
![]() MAAM-009455-TR3000 |
![]() M/A-COM Technology Solutions |
![]() Transistors RF GaAs 50-1000MHz Gain 20dB NF=5.5dB |
![]() Data Sheet |
![]()
|
|
||||||||||||
![]() |
![]() MAAM-010237-TR1000 |
![]() M/A-COM Technology Solutions |
![]() RF Amplifier 8-way splitter Gain 1.5dB 75 Ohm |
![]() Data Sheet |
![]()
|
|
||||||||||||
(China (Mainland))









