Product Summary
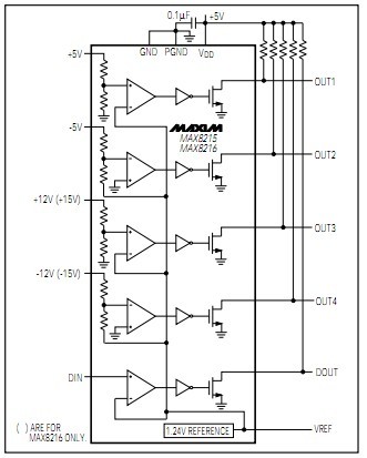
The MAX8216ESD contains five voltage comparators; four are for monitoring +5V, -5V, +12V, and -12V, and the fifth monitors any desired voltage. The MAX8216ESD is identical, except it monitors ±15V supplies instead of ±12V. The resistors required to monitor these voltages and provide comparator hysteresis are included onchip. All comparators have open-drain outputs. These devices consume 250μA max supply current over temperature.
Parametrics
MAX8216ESD absolute maximum ratings: (1)VDD: -0.3V, +12V; (2)VREF: -0.3V, (VDD + 0.3V); (3)OUT, DOUT Outputs: -0.3V, (VDD + 0.3V); (4)+5V Input: +20V, -0.3V; (5)-5V, +12V, +15V, -12V, -15V Inputs: ±50V; (6)DIN Input: (VDD + 0.3V), -0.3V; (7)Continuous Power Dissipation (TA = +70℃), Plastic DIP (derate 10.00mW/℃ above +70℃): 800mW; (8)SO (derate 8.33mW/℃ above +70℃): 667mW; (9)CERDIP (derate 9.09mW/℃ above +70℃): 727mW; (10)Operating Temperature Ranges: -40℃ to +85℃; (11)Storage Temperature Range: -65℃ to +165℃; (12)Lead Temperature (soldering, 10sec): +300℃.
Features
MAX8216ESD features: (1)4 Dedicated Comparators plus 1 Auxiliary Comparator; (2)5V Dedicated Comparator Has ±1.25% Accuracy; (3)-5V, +12V, -12V, +15V, -15V Dedicated Comparators Have ±1.5% Accuracy; (4)Overvoltage/Undervoltage Detection or Programmable Delay Using Auxiliary Comparator; (5)Internal 1.24V Reference with ±1% Initial Accuracy; (6)Wide Supply Range: 2.7V to 11V; (7)Built-In Hysteresis; (8)250μA Max Supply Current Over Temp.; (9)Independent Open-Drain Outputs; (10)All Precision Components Included.
Diagrams

| Image | Part No | Mfg | Description | ![]() |
Pricing (USD) |
Quantity | ||||||||||||
|---|---|---|---|---|---|---|---|---|---|---|---|---|---|---|---|---|---|---|
![]() |
![]() MAX8216ESD |
![]() Maxim Integrated Products |
![]() Supervisory Circuits |
![]() Data Sheet |
![]() Negotiable |
|
||||||||||||
![]() |
![]() MAX8216ESD+ |
![]() Maxim Integrated Products |
![]() Supervisory Circuits 5/12/15V +/-Dedictd MPU Voltage Monitor |
![]() Data Sheet |
![]()
|
|
||||||||||||
![]() |
![]() MAX8216ESD+T |
![]() Maxim Integrated Products |
![]() Supervisory Circuits 5/12/15V +/-Dedictd MPU Voltage Monitor |
![]() Data Sheet |
![]()
|
|
||||||||||||
![]() |
![]() MAX8216ESD-T |
![]() Maxim Integrated Products |
![]() Supervisory Circuits |
![]() Data Sheet |
![]() Negotiable |
|
||||||||||||
(China (Mainland))










