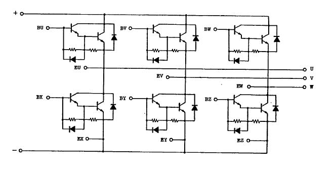
Product Summary
The MG30G6EL2 is a Silicon NPN Triple Diffused Type GTR Module.
Parametrics
MG30G6EL2 absolute maximum ratings: (1)Collector-Base Voltage: 600V; (2)Collector-Emitter Sustaining Voltage: 600V; (3)Emitter-Base Voltage: 6V; (4)Collector Current DC: 30A, 1ms: 60A; (5)Forward Current DC: 30A, 1ms: 60A; (6)Base Current: 2A; (7)Collector Power Dissipation: 200W; (8)Junction Temperature: 150℃; (9)Storage Temperature Range: -40℃ to 125℃; (10)Isolation Voltage: 2500V; (11)Screw Torque: 30 Kg×cm.
Features
MG30G6EL2 features: (1) The Collector is isolation from case; (2)6 power transisitors and 6 free wheeling diodes are built into 1 package; (3)high DC current Gain: hFR=100 (Min.) (IC=30A); (4)Low Saturation Voltage: VCE (sat)=2.0V (Max.)(IC=30A); (5)High speed: tf=3μs(Max.)(IC=30A).
Diagrams

![]() |
![]() MG300Q2YS60A |
![]() |
![]() IGBT MOD CMPCT DUAL 1200V 300A |
![]() Data Sheet |
![]() Negotiable |
|
||||
![]() |
![]() MG300Q2YS61 |
![]() Other |
![]() |
![]() Data Sheet |
![]() Negotiable |
|
||||
![]() |
![]() MG300Q2YS65H |
![]() Other |
![]() |
![]() Data Sheet |
![]() Negotiable |
|
||||
(China (Mainland))








