Product Summary
The MIH-SH-112L is a 16A Miniature Power PC Board Relay.
Parametrics
MIH-SH-112L absolute maximum ratings: (1) Ratings: OMI: 10A @ 240VAC resistive, 10A @ 30VDC resistive, 3A @ 240VAC inductive (cos? 0.4), 3A @ 30VDC inductive (L/R=7msec); (2) Max. Switched Voltage: AC: 250V, DC: 30V; (3) Max. Switched Current: 10A; (4) Max. Switched Power: 2,400VA, 300W.
Features
MIH-SH-112L features: (1)Meet UL 508, VDE0435 and SEMKO requirements; (2)1 Form A and 1 Form C contact arrangements; (3)Immersion cleanable, sealed version available; (4)Meet 5,000V dielectric voltage between coil and contacts; (5)Meet 10,000V surge voltage between coil and contacts (1.2/50μs).
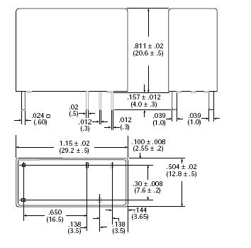
Diagrams

![]() |
![]() MIH-2-412-TF |
![]() |
![]() CONN COMPRESSION SMT 2 POS |
![]() Data Sheet |
![]()
|
|
||||||
(China (Mainland))








