Product Summary
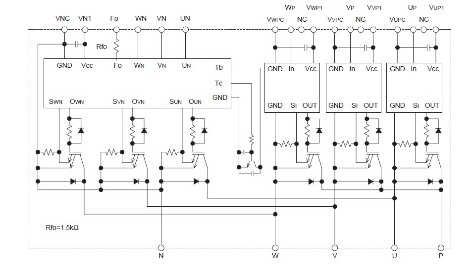
The PM20CEE060-5 is an intelligent power module. It can be used in general purpose inverter, servo drives and other motor controllers.
Parametrics
PM20CEE060-5 absolute maximum ratings: (1)On the conditions of VD = 15V, VCIN = 15V, VCES Collector-Emitter Voltage: 600V; (2)On the condition of TC = 25℃, ±IC Collector Current: 20A; (3)On the condition of TC = 25℃, ±ICP Collector Current (Peak): 40A; (4)On the condition of TC = 25℃, PC Collector Dissipation: 56W; (5)Tj Junction Temperature: -20~+125℃.
Features
PM20CEE060-5 features: (1)3 phase IGBT (20A/600V) inverter output; (2)Monolithic gate drive & protection logic circuit; (3)Protection logic: over circuit (OC); short circuit (SC); over temperature (OT); under voltage lock-out (UV); (4)UL Recognized: File No. E80271; Yellow Card No. E80276.
Diagrams

![]() |
![]() PM2001-200 |
![]() Bourns |
![]() EMI Filter Beads, Chokes & Arrays 25% Choke |
![]() Data Sheet |
![]() Negotiable |
|
||||
![]() |
![]() PM2001-200-RC |
![]() |
![]() FERRITE CHIP 20 OHM 25% |
![]() Data Sheet |
![]() Negotiable |
|
||||
![]() |
![]() PM2002-300 |
![]() J.W. Miller |
![]() EMI Filter Beads, Chokes & Arrays 47ohm 25% |
![]() Data Sheet |
![]() Negotiable |
|
||||
![]() |
![]() PM2002-300-RC |
![]() Bourns |
![]() EMI Filter Beads, Chokes & Arrays 47ohms 25% |
![]() Data Sheet |
![]() Negotiable |
|
||||
![]() |
![]() PM2002DP |
![]() Other |
![]() |
![]() Data Sheet |
![]() Negotiable |
|
||||
![]() |
![]() PM2003-300 |
![]() J.W. Miller |
![]() EMI Filter Beads, Chokes & Arrays 25% Choke |
![]() Data Sheet |
![]() Negotiable |
|
||||
(China (Mainland))









