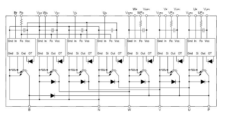
Product Summary
The PM25RLA120 is an intelligent power module. The applications of the PM25RLA120 include General purpose inverter, servo drives and other motor controls.
Parametrics
PM25RLA120 absolute maximum ratings: (1)Collector-Emitter Voltage VD = 15V, VCIN = 15V: 1200V; (2)Collector Current TC=25℃: 25A; (3)Collector Current (Peak) TC=25℃: 50A; (4)Collector Dissipation TC=25℃: 116W; (5)Junction Temperature: -20℃ to 150℃.
Features
PM25RLA120 features: (1)Adopting new 5th generation IGBT (CSTBT) chip, which performance is improved by 1μm fine rule process.; (2)I adopt the over-temperature conservation by Tj detection of CSTBT chip, and error output is possible from all each conservation upper and lower arm of IPM.; (3)Current rating of brake part increased. 60% for the current rating of inverter part.; (4)3φ, 25A, 1200V Current-sense IGBT type inverter; (5)15A, 1200V Current-sense regenerative brake IGBT; (6) Monolithic gate drive and protection logic; (7) Detection, protection and status indication circuits for, short-circuit, over-temperature & under-voltage (P-Fo available; (8) from upper arm devices); (9) Acoustic noise-less 3.7kW class inverter application.
Diagrams

| Image | Part No | Mfg | Description | ![]() |
Pricing (USD) |
Quantity | ||||||||||||||||
|---|---|---|---|---|---|---|---|---|---|---|---|---|---|---|---|---|---|---|---|---|---|---|
![]() |
![]() PM25RLA120 |
![]() |
![]() MOD IPM L-SER 7PAC 1200V 25A |
![]() Data Sheet |
![]()
|
|
||||||||||||||||
| Image | Part No | Mfg | Description | ![]() |
Pricing (USD) |
Quantity | ||||||||||||||||
![]() |
![]() PM25CLA120 |
![]() |
![]() MOD IPM L-SER 6PAC 1200V 25A |
![]() Data Sheet |
![]()
|
|
||||||||||||||||
![]() |
![]() PM25CLB120 |
![]() |
![]() MOD IPM L-SER 6PAC 1200V 25A |
![]() Data Sheet |
![]()
|
|
||||||||||||||||
![]() |
![]() PM25CS1D120 |
![]() Other |
![]() |
![]() Data Sheet |
![]() Negotiable |
|
||||||||||||||||
![]() |
![]() PM25L-024-HHC5 |
![]() |
![]() MOTOR STEPPER 25MM 24VDC 15DEG |
![]() Data Sheet |
![]()
|
|
||||||||||||||||
![]() |
![]() Pm25LV010 |
![]() Other |
![]() |
![]() Data Sheet |
![]() Negotiable |
|
||||||||||||||||
![]() |
![]() PM25LV010A |
![]() Other |
![]() |
![]() Data Sheet |
![]() Negotiable |
|
||||||||||||||||
(China (Mainland))










