Product Summary
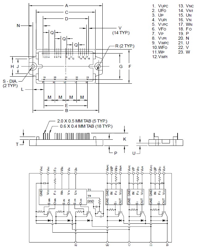
The PM25RSB120 is an intelligent power module. Mitsubishi Intelligent Power Module PM25RSB120 is an isolated base module designed for power switching application operating at frequencies to 20kHz. Built-in control circuit provides optimum gate drive and protection for the IGBT and free-wheel diode power device. The applications of the PM25RSB120 are: Inverters; UPS; Motion/Servo Control; Power Supplies.
Parametrics
PM25RSB120 absolute maximum ratings: (1)Power Device Junction Temperature Tj -20 to 150 ℃; (2)Storage Temperature Tstg -40 to 125 ℃; (3)Case Operating Temperature TC -20 to 100 ℃; (4)Mounting Torque, M4 Mounting Screws — 0.98 ~ 1.47 N m; (5)Module Weight (Typical) — 60 Grams; (6)Supply Voltage Protected by OC and SC (VD = 13.5 - 16.5V, Inverter Part) VCC(prot.) 400 Volts; (7)Isolation Voltage (Main Terminal to Baseplate, AC 1 min.) Viso 2500 Vrms.
Features
PM25RSB120 features: (1)Complete Output Power Circuit; (2)Gate Drive Circuit; (3)Protection Logic. Short Circuit; Over Current; Over Temperature; Under Voltage.
Diagrams

| Image | Part No | Mfg | Description | ![]() |
Pricing (USD) |
Quantity | ||||||
|---|---|---|---|---|---|---|---|---|---|---|---|---|
![]() |
![]() PM25RSB120 |
![]() |
![]() MOD IPM 7PAC 1200V 25A |
![]() Data Sheet |
![]() Negotiable |
|
||||||
| Image | Part No | Mfg | Description | ![]() |
Pricing (USD) |
Quantity | ||||||
![]() |
![]() PM2503 |
![]() Other |
![]() |
![]() Data Sheet |
![]() Negotiable |
|
||||||
![]() |
![]() PM25CL1A120 |
![]() Other |
![]() |
![]() Data Sheet |
![]() Negotiable |
|
||||||
![]() |
![]() PM25CL1B120 |
![]() Other |
![]() |
![]() Data Sheet |
![]() Negotiable |
|
||||||
![]() |
![]() PM25CLA120 |
![]() |
![]() MOD IPM L-SER 6PAC 1200V 25A |
![]() Data Sheet |
![]()
|
|
||||||
![]() |
![]() PM25CLB120 |
![]() |
![]() MOD IPM L-SER 6PAC 1200V 25A |
![]() Data Sheet |
![]()
|
|
||||||
![]() |
![]() PM25CS1D120 |
![]() Other |
![]() |
![]() Data Sheet |
![]() Negotiable |
|
||||||
(China (Mainland))









