Product Summary
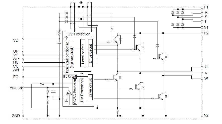
The PS11035-1 is an intelligent power module. It can be used in acoustic noise-less 1.5KW/200V AC class 3 phase inverters, motor control applications, and motors with built-in small size inverter package.
Parametrics
PS11035-1 absolute maximum ratings: (1)VCC Supply voltage: 450V; (2)VCC(surge) Supply voltage (surge): 500V; (3)VP or VN Each output IGBT collector-emitter static voltage: 600V; (4)VP(S) or VN(S) Each output IGBT collector-emitter switching voltage: 600V; (5)±Ic(±Icp) Each output IGBT collector current: ±20(±40)A.
Features
PS11035-1 features: (1)Converter bridge for 3 phase AC-to-DC power conversion; (2)3 phase IGBT inverter bridge configured by the latest 3rd, generation IGBT and diode technology; (3)Inverter output current capability IO.
Diagrams

|  |  PS11 |  |  GASKET 3.63 X 2.27 INCH |  Data Sheet |  
 |  | ||||||||||||||||||||
|  |  PS11.9-5-TO5 |  Pacific Silicon Sensor |  Photodiodes High Speed Epitaxial 3.45x3.45mm Area |  Data Sheet |  
 |  | ||||||||||||||||||||
|  |  PS1100 |  Other |  |  Data Sheet |  Negotiable |  | ||||||||||||||||||||
|  |  PS1100MA24 |  FerriShield |  EMI/RFI Suppressors & Ferrites PCB Shield Enclosure |  Data Sheet |  
 |  | ||||||||||||||||||||
|  |  PS1100MA24A |  FerriShield |  EMI/RFI Suppressors & Ferrites PCB Shield Enclosure Adhesive Base |  Data Sheet |  
 |  | ||||||||||||||||||||
|  |  PS1100MA44 |  FerriShield |  EMI/RFI Suppressors & Ferrites PCB Shield Enclosure |  Data Sheet |  
 |  | ||||||||||||||||||||
 (China (Mainland))
 (China (Mainland)) 
                         
                        
 
                                    




