Product Summary
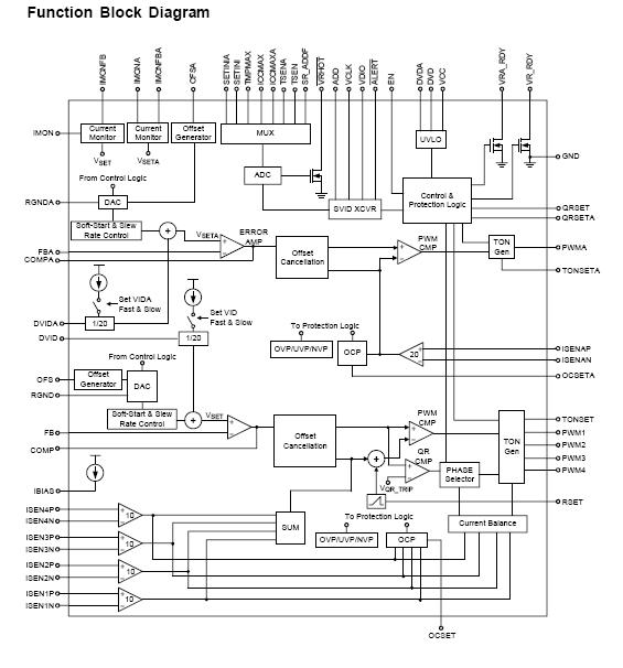
The RT8859MGQW is a VR12/IMVP7 compliant CPU power controller which includes two voltage rails: a 4/3/2/1 phase synchronous buck controller, the CORE VR, and a single phase buck controller, the AXG VR. The RT8859MGQW adopts G-NAVPTM (Green Native AVP), which is Richtek’s proprietary topology derived from finite DC gain compensator with current mode control, making it an easy setting PWM controller, meeting all Intel CPU requirements of AVP (Active Voltage Positioning). Based on the G-NAVPTM topology, the RT8859MGQW also features a quick response mechanism for optimized AVP performance during load transient. The RT8859MGQW supports mode transition function with various operating states. A serial VID (SVID) interface is built in the RT8859MGQW to communicate with Intel VR12/IMVP7 compliant CPU. The applications of the RT8859MGQW include VR12 / IMVP7 Intel Core Supply, Notebook/ Desktop Computer/ Servers Multi-phase CPU Core Supply, AVP Step-Down Converter.
Parametrics
RT8859MGQW absolute maximum ratings: (1)VCC to GND: -0.3V to 6.5V; (2)RGNDx to GND: -0.3V to 0.3V; (3)TONSETx to GND: -0.3V to 28V; (4)Others: -0.3V to (VCC + 0.3V); (5)Power Dissipation, PD @ TA = 25℃ WQFN-56L 7x7: 3.226W; (6)Package Thermal Resistance (Note 2) WQFN-56L 7x7, θJA: 31℃/W; (7)WQFN-56L 7x7, θJC: 6℃/W; (8)Junction Temperature: 150℃; (9)Lead Temperature (Soldering, 10 sec.): 260℃; (10)Storage Temperature Range: -65℃ to 150℃; (11)ESD Susceptibility (Note 3) HBM (Human Body Model): 2kV.
Features
RT8859MGQW features: (1)4/3/2/1 + 1 Phase PWM Controller; (2)G-NAVPTM Topology; (3)Serial VID Interface; (4)0.5% DAC Accuracy; (5)Differential Remote Voltage Sensing; (6)Built-in ADC for Platform Programming; (7)Accurate Current Balance; (8)System Thermal Compensated AVP; (9)Diode Emulation Mode at Light Load Condition for Multiple and Single Phase; (10)Fast Transient Response; (11)VR12 / IMVP7 Compatible Power Management States; (12)VR Ready Indicator; (13)Thermal Throttling; (14)Current Monitor Output; (15)Switching Frequency up to 1MHz per Phase; (16)OVP, UVP, OCP, NVP, UVLO; (17)Slew Rate Setting/Address Flip Function; (18)External No-Load Offset Setting for both Rails; (19)DVID Improvement; (20)Small 56-Lead WQFN Package; (21)RoHS Compliant and Halogen Free.
Diagrams

| Image | Part No | Mfg | Description | ![]() |
Pricing (USD) |
Quantity | ||||||||||||||||||
|---|---|---|---|---|---|---|---|---|---|---|---|---|---|---|---|---|---|---|---|---|---|---|---|---|
![]() |
![]() RT8859MGQW |
![]() |
![]() IC CTRLR PWM MULTI-PHASE 56WQFN |
![]() Data Sheet |
![]()
|
|
||||||||||||||||||
| Image | Part No | Mfg | Description | ![]() |
Pricing (USD) |
Quantity | ||||||||||||||||||
![]() |
![]() RT8800 |
![]() Other |
![]() |
![]() Data Sheet |
![]() Negotiable |
|
||||||||||||||||||
![]() |
![]() RT8800/RT8800B |
![]() Other |
![]() |
![]() Data Sheet |
![]() Negotiable |
|
||||||||||||||||||
![]() |
![]() RT8800B |
![]() Other |
![]() |
![]() Data Sheet |
![]() Negotiable |
|
||||||||||||||||||
![]() |
![]() RT8801 |
![]() Other |
![]() |
![]() Data Sheet |
![]() Negotiable |
|
||||||||||||||||||
![]() |
![]() RT8802A |
![]() Other |
![]() |
![]() Data Sheet |
![]() Negotiable |
|
||||||||||||||||||
![]() |
![]() RT8802AGQV |
![]() |
![]() IC CTRLR PWM MULTI-PHASE 40VQFN |
![]() Data Sheet |
![]()
|
|
||||||||||||||||||
(China (Mainland))








