Product Summary
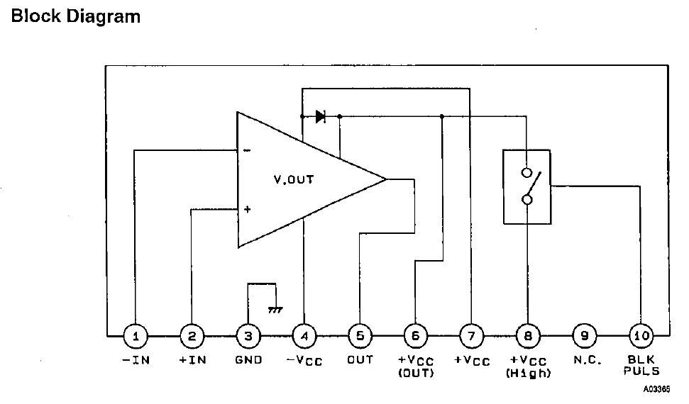
The STK792-110 is a vertical output amplifier and supply switching circuit hybird IC for high withstand voltage, vertical deflection output circuit in CTV and CRT displays. The applications of the STK792-110 include large screen, ultrahigh definition CRT displays, large screen CTV, HDTV and video projectors.
Parametrics
STK792-110 absolute maximum ratings: (1)maximum supply voltage: 160 V; (2)maximum deflection current: ±2.0 A; (3)maximum collector current: 2.0 A; (4)thermal resistance: 6.0 ℃/W; (5)junction temperature: 150 ℃ ; (6)operating substrate temperature: 105 ℃; (7)storage temperature: -30 to +125 ℃.
Features
STK792-110 features: (1)vertical deflection basic functions in a compact package; (2)split dual supply DC amplifier, output amplifier structure; (3)supply switching circuit built-in, making low power dissipation operation possible; (4)high-current, high withstand voltage output amplifier design; (5)increasing the supply switching circuit supply voltage enables the retrace time to be large-screen CTV and CRT displays, and video projectors.
Diagrams

![]() |
![]() STK7000 |
![]() Other |
![]() |
![]() Data Sheet |
![]() Negotiable |
|
||||
![]() |
![]() STK7002 |
![]() Other |
![]() |
![]() Data Sheet |
![]() Negotiable |
|
||||
![]() |
![]() STK7002B |
![]() Other |
![]() |
![]() Data Sheet |
![]() Negotiable |
|
||||
![]() |
![]() STK7002U |
![]() Other |
![]() |
![]() Data Sheet |
![]() Negotiable |
|
||||
![]() |
![]() STK7006P |
![]() Other |
![]() |
![]() Data Sheet |
![]() Negotiable |
|
||||
![]() |
![]() STK730-010 |
![]() Other |
![]() |
![]() Data Sheet |
![]() Negotiable |
|
||||
(China (Mainland))








