Product Summary
The TS3DV520ERHUR is a 20-bit to 10-bit multiplexer/demultiplexer digital video switch with a single select (SEL) input. SEL controls the data path of the multiplexer/demultiplexer. The TS3DV520ERHUR provides five differential channels for digital video signal switching. This device provides low and flat ON-state resistance (ron) and excellent ON-state resistance match. Low input/output capacitance, high bandwidth, low skew, and low crosstalk among channels make this device suitable for various digital video applications, such as DVI and HDMI. The applications of the TS3DV520ERHUR include DVI/HDMI Signal Switching, Differential DVI, HDMI Signal Multiplexing for Audio/Video Receivers and High-Definition Televisions (HDTVs).
Parametrics
TS3DV520ERHUR absolute maximum ratings: (1)Supply voltage range: –0.5 to 4.6 V; (2)VIN Control input voltage range: –0.5 to 7 V; (3)VI/O Switch I/O voltage range: –0.5 to 7 V; (4)IIK Control input clamp current: VIN < 0; (5)II/OK I/O port clamp current: –50 mA at VI/O < 0; (6)II/O ON-state switch current: ±128 mA; (7)Continuous current through: ±100 mA at VCC or GND; (8)qJA Package thermal impedance: 31.8 ℃/W; (9)Tstg Storage temperature range: –65 to 150 ℃.
Features
TS3DV520ERHUR features: (1)Compatible With HDMI v1.2a (Type A) DVI 1.0 High-Speed Digital Interface: Wide Bandwidth of Over 1.65 Gbps (Bandwidth 2.4 Gbps Typ), 165-MHz Speed Operation, Serial Data Stream at 10 Pixel Clock Rate, Supports All Video Formats up to 1080p and SXGA (1280×1024 at 75 Hz), Total Raw Capacity 4.95 Gbps (Single Link), HDCP Compatible; (2)Low Crosstalk (XTALK = –41 dB Typ); (3)Low Bit-to-Bit Skew (tsk(o) = 0.1 ns Max); (4)Low and Flat ON-State Resistance (ron = 6 W Max, ron(flat) = 0.5 W Typ); (5)Low Input/Output Capacitance (CON = 7.8 pF Typ); (6)Rail-to-Rail Switching on Data I/O Ports (0 to 5 V).
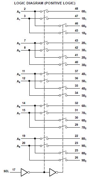
Diagrams

| Image | Part No | Mfg | Description | ![]() |
Pricing (USD) |
Quantity | ||||||||||
|---|---|---|---|---|---|---|---|---|---|---|---|---|---|---|---|---|
![]() |
![]() TS3DV520ERHUR |
![]() Texas Instruments |
![]() Multiplexer Switch ICs 5-Chan Differential 10:20 Mux Switch |
![]() Data Sheet |
![]()
|
|
||||||||||
![]() |
![]() TS3DV520ERHURG4 |
![]() Texas Instruments |
![]() Multiplexer Switch ICs 5-Ch Differential 10:20 Mux Switch |
![]() Data Sheet |
![]()
|
|
||||||||||
(China (Mainland))









