Product Summary
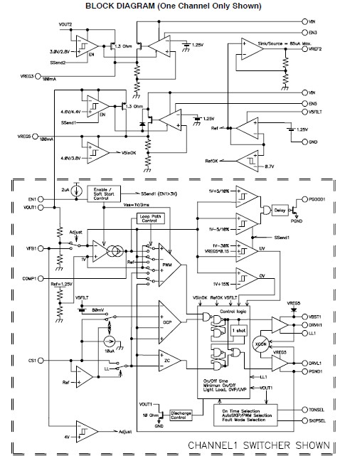
The TPS51120RHBR is a highly sophisticated dual current mode synchronous step-down controller. It is a full featured controller designed to run directly off a three or four-cell Li-ion battery and provide high-power and 5-V and/or 3.3-V standby regulation for all the down-stream circuitry in a notebook computer system. High current, 100-mA, 5-V or 3.3-V on-board linear regulators have glitch-free switch over function to SMPS and can be kept alive independently during standby state. The pseudo-constant frequency adaptive on-time control scheme supports full range of current mode operation including simplified loop compensation, ceramic output capacitors as well as seamless transition to reduced frequency operation at light-load condition. Optional D-CAP™ mode operation optimized for SP-CAP or POSCAP output capacitors allows further reduction of external compensation parts. Dynamic UVP supports VIN line sag without latch off by hitting 5V UVP. No negative voltage appears at output voltage node during UVLO, UVP, and OCP, OTP or loss of VIN.
Parametrics
Absolute maximum ratings: (1)Input voltage range:VBST1, VBST2: -0.3 to 36v; VBST1, VBST2 wrt LL: -0.3 to 6v; VIN, EN5: -0.3 to 30v; SKIPSEL, TONSEL, EN1, EN2, CS1, CS2, V5FILT, VFB1, VFB2, EN3, VO1, VO2: -0.3 to 6v; (2)Output voltage range: DRVH1, DRVH2: -1 to 36v; DRVH1, DRVH2 (wrt LL): -0.3 to 6v; LL1, LL2: -1 to 30v; VREF2, VREG3, VREG5, PGOOD1, PGOOD2, DRVL1, DRVL2, COMP1, COMP2: -0.3 to 6 v; PGND1, PGND2: -0.3 to 0.3 v; (3)Source/sink current: VREF2: 1mA; VBST: 100 mA; VREG5, VREG3 (source only): 200 mA; (4)TA, Operating ambient temperature range: -40 to 85°C; (5)Tstg, Storage temperature: -55 to 150 °C; (6)TJ, Junction temperature: -40 to 125°C; (7)Lead temperature 1.6 mm (1/16 inch) from case for 10 seconds: 255°C.
Features
Features: (1) 3.3-V and 5-V 100-mA bootstrapped standby regulators with independent enables; (2) selectable D-CAP® mode enables fast transient response less than 100 ns; (3) integrated 2-v reference; (4) integrated 2-v reference; (5) selectable PWM-only/auto-skip modes; (6) less than 1% internal reference accuracy;(7)internal soft-start and integrated VOUT discharge transistors (8) selectable low ripple current mode; (9) low-side RDS(on) loss-less current sensing; (10) RSENSE accurate current sense option; (11) power good for each channel with delay timer; (12) supply input voltage range: 4.5 V to 28 V; (13) adaptive gate drivers with integrated boost diode; (14) fault disable mode, which can be used in notebook computers system bus and I/O.
Diagrams

| Image | Part No | Mfg | Description | ![]() |
Pricing (USD) |
Quantity | ||||||||||||
|---|---|---|---|---|---|---|---|---|---|---|---|---|---|---|---|---|---|---|
![]() |
![]() TPS51120RHBR |
![]() Texas Instruments |
![]() Current Mode PWM Controllers Dual Current Mode Sync Step-Down |
![]() Data Sheet |
![]()
|
|
||||||||||||
![]() |
![]() TPS51120RHBRG4 |
![]() Texas Instruments |
![]() Current Mode PWM Controllers Dual Current Mode Sync Step-Down |
![]() Data Sheet |
![]()
|
|
||||||||||||
(China (Mainland))









