Product Summary
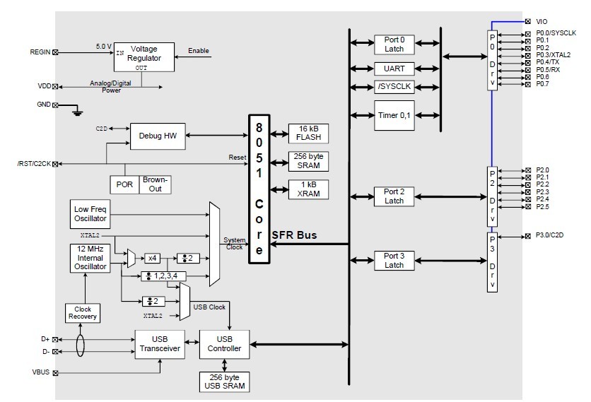
The C8051F326-GMR is a Full Speed USB. With on-chip power-on reset, VDD monitor, voltage regulator, and clock oscillator, The C8051F326-GMR is truly stand-alone System-on-a-Chip solutions. The Flash memory can be reprogrammed in-circuit, providing non-volatile data storage, and also allowing field upgrades of the 8051 firmware. User software has complete control of all peripherals, and may individually shut down any or all peripherals for power savings. The C8051F326-GMR is available in two 28-pin QFN packages with different pinouts. The RoHS compliant devices are marked with a -GQ suffix in the part number. The port I/O on C8051F326-GMR is powered from a separate I/O supply allowing it to interface to low voltage logic.
Parametrics
C8051F326-GMR absolute maximum ratings: (1)Ambient Temperature under Bias: –55 to 125℃; (2)Storage Temperature: –65 to 150℃; (3)Voltage on any Port I/O Pin or RST with Respect to GND: –0.3 to 5.8 V; (4)Voltage on VDD or VIO with Respect to GND: –0.3 to 4.2 V; (5)Maximum Total Current through VDD, VIO, and GND: 500 mA; (6)Maximum Output Current Sunk by RST or any Port Pin: 100mA.
Features
C8051F326-GMR features: (1)USB specification 2.0 compliant; (2)Full speed (12 Mbps) or low speed (1.5 Mbps) operation; (3)Integrated clock recovery; no external crystal required for full speed or low speed; (4)Supports three fixed-function endpoints; (5)256 Byte USB buffer memory; (6)Integrated transceiver; no external resistors required; (7)Voltages from 3.6 to 5.25 V supported using On-Chip Voltage Regulator; (8)Pipelined instruction architecture; executes 70% of instructions in 1 or 2 system clocks; (9)Up to 25 MIPS throughput with 25 MHz clock; (10)Expanded interrupt handler; (11)28-pin QFN; (12)Temperature Range: –40 to +85℃.
Diagrams

| Image | Part No | Mfg | Description | ![]() |
Pricing (USD) |
Quantity | ||||||||||||
|---|---|---|---|---|---|---|---|---|---|---|---|---|---|---|---|---|---|---|
![]() |
![]() C8051F326-GMR |
![]() Silicon Labs |
![]() 8-bit Microcontrollers (MCU) 16KB USB |
![]() Data Sheet |
![]()
|
|
||||||||||||
| Image | Part No | Mfg | Description | ![]() |
Pricing (USD) |
Quantity | ||||||||||||
![]() |
![]() C805 |
![]() Chemtronics |
![]() Chemicals HAND GUARD LOTION SF 8 FL OZ LIQUID |
![]() Data Sheet |
![]()
|
|
||||||||||||
![]() |
![]() C8051F000 |
![]() Silicon Labs |
![]() 8-bit Microcontrollers (MCU) 32KB 12ADC |
![]() Data Sheet |
![]() Negotiable |
|
||||||||||||
![]() |
![]() C8051F000-GQ |
![]() Silicon Labs |
![]() 8-bit Microcontrollers (MCU) 32KB 12ADC |
![]() Data Sheet |
![]()
|
|
||||||||||||
![]() |
![]() C8051F000-GQR |
![]() Silicon Labs |
![]() 8-bit Microcontrollers (MCU) 32KB 12ADC 64Pin MCU Tape and Reel |
![]() Data Sheet |
![]()
|
|
||||||||||||
![]() |
![]() C8051F000R |
![]() Silicon Labs |
![]() 8-bit Microcontrollers (MCU) C 12Bit 64Pin |
![]() Data Sheet |
![]() Negotiable |
|
||||||||||||
![]() |
![]() C8051F000TB |
![]() Silicon Labs |
![]() Development Boards & Kits - 8051 USE 634-C8051F005TB |
![]() Data Sheet |
![]() Negotiable |
|
||||||||||||
(China (Mainland))











