Product Summary
The HMC394LP4 is a low noise GaAs HBT programmable 5-bit counter in a 4mm x 4mm leadless surface mount package. The HMC394LP4 allows continuous division from N= 2 to 32 at input frequencies up to 2.2 GHz. The output voltage swing is 800 mV with a duty cycle inversely proportional to N. The low additive SSB phase noise of -153 dBc/Hz at 100 KHz offset makes this counter an excellent choice for low noise synthesizer applications.
Parametrics
HMC394LP4 absolute maximum ratings: (1)RF Input (Vcc = +5V): +13 dBm; (2)Vcc: +5.5V; (3)VLogic: -1.6 to -1.2 Vcc; (4)Maximum Channel Temperature: 135 ℃; (5)Continuous Pdiss (T = 85 ℃); (6)(derate 55 mW/℃ above 85℃): 1.155 W; (7)Storage Temperature: -65 to +150℃; (8)Operating Temperature: -55 to +85℃.
Features
HMC394LP4 features: (1)SSB Phase Noise: -153 dBc/Hz @ 100 kHz; (2)Selectable Division from 2 to 32; (3)Parallel 5-Bit Control; (4)Wide Input Power Range: -20 to +10 dBm; (5)4mm x 4mm Leadless SMT Package.
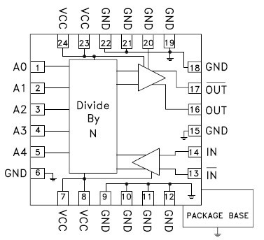
Diagrams

| Image | Part No | Mfg | Description | ![]() |
Pricing (USD) |
Quantity | ||||
|---|---|---|---|---|---|---|---|---|---|---|
![]() |
![]() HMC394LP4 |
![]() Other |
![]() |
![]() Data Sheet |
![]() Negotiable |
|
||||
![]() |
![]() HMC394LP4 / HMC394LP4E |
![]() Other |
![]() |
![]() Data Sheet |
![]() Negotiable |
|
||||
(China (Mainland))









