Product Summary
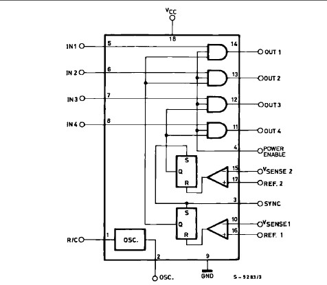
The L6506 is a Currentcontroller for stepping motor. The L6506 is a linear integrated circuit designed to sense and control the current in stepping motors and similar devices. When used in conjunction with the L293, L298, L7150, L6114/L6115; the chip set forms a constant current drive for an inductive load and performs all the interface function from the control logic thru the power stage. Two or more devices may be synchronized using the sync pin. In this mode of operation the oscillator in the master chip sets the operating frequency in all chips.
Parametrics
L6506 absolute maximum ratings: (1)Supply Voltage: 10 V; (2)Input Signals: 7 V; (3)Total Power Dissipation (Tamb = 70℃): 1W; (4)Junction Temperature: 150 ℃; (5)Storage Temperature: -40 to 150 ℃.
Features
L6506 features: (1)Supply Voltage: 4.5 to 7 V; (2)Quiescent Supply Current: 25 mA.
Diagrams

| Image | Part No | Mfg | Description | ![]() |
Pricing (USD) |
Quantity | ||||||||||||
|---|---|---|---|---|---|---|---|---|---|---|---|---|---|---|---|---|---|---|
![]() |
![]() L6506D013TR |
![]() STMicroelectronics |
![]() Motor / Motion / Ignition Controllers & Drivers Stepper Motor |
![]() Data Sheet |
![]()
|
|
||||||||||||
![]() |
![]() L6506D |
![]() STMicroelectronics |
![]() Motor / Motion / Ignition Controllers & Drivers Stepper Motor |
![]() Data Sheet |
![]()
|
|
||||||||||||
![]() |
![]() L6506 |
![]() STMicroelectronics |
![]() Motor / Motion / Ignition Controllers & Drivers Stepper Motor |
![]() Data Sheet |
![]()
|
|
||||||||||||
(China (Mainland))









