Product Summary
The LM393DR is a voltage comparator that is designed to operate from a single power supply over a wide range of voltages. Operation from dual supplies also is possible as long as the difference between the two supplies is 2 V to 36 V, and VCC is at least 1.5 V more positive than the input common-mode voltage. Current drain is independent of the supply voltage. The outputs can be connected to other open-collector outputs to achieve wired-AND relationships. The LM393DR is characterized for operation from 0℃ to 70℃.
Parametrics
LM393DR absolute maximum ratings: (1)Supply voltage, VCC: 36 V; (2)Differential input voltage, VID: ±36 V; (3)Input voltage range, VI (either input): 0.3 V to 36 V; (4)Output voltage, VO: 36 V; (5)Output current, IO: 20 mA; (6)Duration of output short-circuit to ground: Unlimited; (7)Package thermal impedance, θJA D package: 97℃/W; (8)Operating virtual junction temperature, TJ: 150℃; (9)Storage temperature range, Tstg: 65℃ to 150℃.
Features
LM393DR features: (1)Single Supply or Dual Supplies; (2)Wide Range of Supply Voltage Max Rating: 2 V to 36 V; (3)Low Supply-Current Drain Independent of Supply Voltage: 0.4 mA Typ Per Comparator; (4)Low Input Bias Current: 25 nA Typ; (5)Low Input Offset Voltage: 2 mV Typ; (6)Common-Mode Input Voltage Range Includes Ground; (7)Differential Input Voltage Range Equal to Maximum-Rated Supply Voltage: ±36 V; (8)Low Output Saturation Voltage; (9)Output Compatible With TTL, MOS, and CMOS.
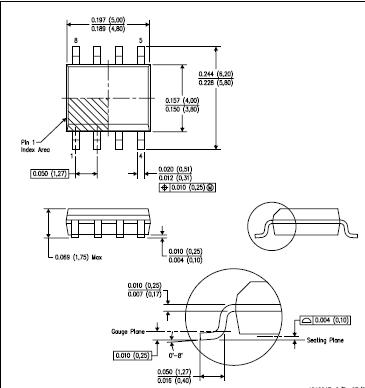
Diagrams

| Image | Part No | Mfg | Description | ![]() |
Pricing (USD) |
Quantity | ||||||||||||
|---|---|---|---|---|---|---|---|---|---|---|---|---|---|---|---|---|---|---|
![]() |
![]() LM393DR |
![]() Texas Instruments |
![]() Comparator ICs Dual Differential |
![]() Data Sheet |
![]()
|
|
||||||||||||
![]() |
![]() LM393DR2 |
![]() ON Semiconductor |
![]() Comparator ICs 2-36V Dual |
![]() Data Sheet |
![]() Negotiable |
|
||||||||||||
![]() |
![]() LM393DRE4 |
![]() Texas Instruments |
![]() Comparator ICs Dual Differential Comparator |
![]() Data Sheet |
![]()
|
|
||||||||||||
![]() |
![]() LM393DRG4 |
![]() Texas Instruments |
![]() Comparator ICs Dual Differential Comparator |
![]() Data Sheet |
![]()
|
|
||||||||||||
![]() |
![]() LM393DRG3 |
![]() Texas Instruments |
![]() Comparator ICs Dual Diff Comparator |
![]() Data Sheet |
![]()
|
|
||||||||||||
![]() |
![]() LM393DR2G |
![]() ON Semiconductor |
![]() Comparator ICs 2-36V Dual Commercial Temp |
![]() Data Sheet |
![]()
|
|
||||||||||||
(China (Mainland))









