Product Summary
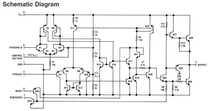
The LM555CM is a highly stable device for generating accurate time delays or oscillation. Additional terminals are provided for triggering or resetting if desired. In the time delay mode of operation, the time of LM555CM is precisely controlled by one external resistor and capacitor. For astable operation as an oscillator, the free running frequency and duty cycle are accurately controlled with two external resistors and one capacitor. The circuit of LM555CM may be triggered and reset on falling waveforms, and the output circuit can source or sink up to 200mA or drive TTL circuits.
Parametrics
LM555CM absolute maximum ratings: (1)Supply Voltage: +18V; (2)Power Dissipation: 1180mW; (3)Operating Temperature Ranges: 0℃ to +70℃; (4)Storage Temperature Range: -65℃ to +150℃; (5)Soldering Information, Dual-In-Line Package, Soldering (10 Seconds): 260℃; (6)Vapor Phase (60 Seconds): 215℃; (7)Infrared (15 Seconds): 220℃.
Features
LM555CM features: (1)Direct replacement for SE555/NE555; (2)Timing from microseconds through hours; (3)Operates in both astable and monostable modes; (4)Adjustable duty cycle; (5)Output can source or sink 200 mA; (6)Output and supply TTL compatible; (7)Temperature stability better than 0.005% per ℃; (8)Normally on and normally off output; (9)Available in 8-pin SOIC package.
Diagrams

| Image | Part No | Mfg | Description | ![]() |
Pricing (USD) |
Quantity | ||||||||||||
|---|---|---|---|---|---|---|---|---|---|---|---|---|---|---|---|---|---|---|
![]() |
![]() LM555CM |
![]() Fairchild Semiconductor |
![]() Timers & Support Products Single Timer |
![]() Data Sheet |
![]()
|
|
||||||||||||
![]() |
![]() LM555CM/NOPB |
![]() National Semiconductor (TI) |
![]() Timers & Support Products Timer |
![]() Data Sheet |
![]()
|
|
||||||||||||
![]() |
![]() LM555CMM/NOPB |
![]() National Semiconductor (TI) |
![]() Timers & Support Products TIMER |
![]() Data Sheet |
![]()
|
|
||||||||||||
![]() |
![]() LM555CMX |
![]() Fairchild Semiconductor |
![]() Timers & Support Products SOP-8 Single Timer |
![]() Data Sheet |
![]()
|
|
||||||||||||
![]() |
![]() LM555CMMX/NOPB |
![]() National Semiconductor (TI) |
![]() Timers & Support Products |
![]() Data Sheet |
![]()
|
|
||||||||||||
![]() |
![]() LM555CMM |
![]() National Semiconductor (TI) |
![]() Timers & Support Products |
![]() Data Sheet |
![]()
|
|
||||||||||||
![]() |
![]() LM555CMX/NOPB |
![]() National Semiconductor (TI) |
![]() Timers & Support Products TIMER |
![]() Data Sheet |
![]()
|
|
||||||||||||
(China (Mainland))










