Product Summary
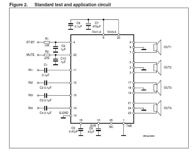
The TDA7388 is an AB class audio power amplifier. It is packaged in Flexiwatt 25 and designed for high end car radio applications. Based on a fully complementary PNP/NPN configuration, the TDA7388 allows a rail to rail output voltage swing with no need of bootstrap capacitors. The extremely reduced boundary components count allows very compact sets.
Parametrics
TDA7388 absolute maximum ratings: (1)VS, Operating supply voltage: 18V; (2)VS(DC), DC supply voltage: 28V; (3)VS(pk), Peak supply voltage (t = 50 ms): 50V; (4)IO Output peak current: Repetitive (duty cycle 10 % at f = 10 Hz): 4.5A; Non repetitive (t = 100 μs): 5.5A; (5)Ptot, Power dissipation, (Tcase = 70℃): 80W; (6)Tj, Junction temperature: 150℃; (7)Tstg, Storage temperature: – 55 to 150℃.
Features
TDA7388 features: (1)High output power capability: 4 x 41W/ 4Ω max; 4 x 26W/ 4 Ω @ 14.4V, 1kHz, 10%; (2)Low distortion; (3)Low output noise; (4)Standby function; (5)Mute function; (6)Automute at min. supply voltage detection; (7)Low external component count: Internally fixed gain (26dB); No external compensation; No bootstrap capacitors.
Diagrams

| Image | Part No | Mfg | Description | ![]() |
Pricing (USD) |
Quantity | ||||||||||||
|---|---|---|---|---|---|---|---|---|---|---|---|---|---|---|---|---|---|---|
![]() |
![]() TDA7388 |
![]() STMicroelectronics |
![]() Audio Amplifiers 4X41W QUAD BRDG CAR RADIO AMPLIFIER |
![]() Data Sheet |
![]()
|
|
||||||||||||
![]() |
![]() TDA7388A |
![]() STMicroelectronics |
![]() Audio Amplifiers 4 x 42W Quad Bridge Car-Radio Amplifier |
![]() Data Sheet |
![]()
|
|
||||||||||||
(China (Mainland))









