Product Summary
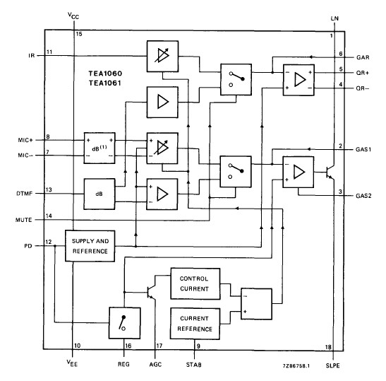
The TEA1061 is a versatile telephone transmission circuit. The TEA1061 is bipolar integrated circuits performing all speech, and line interface functions required in fully electronic telephone sets. The circuits internally perform electronic switching between dialling and speech.
Parametrics
TEA1061 absolute maximum ratings: (1)Positive continuous line voltage :- 12 V; (2)Repetitive line voltage during switch-on or line interruption : 13.2 V; (3)LinecurrentTEA1061 (1) : 140 mA; (4)Voltage on all other pins : VCC+0.7 V; (5)Total power dissipation : - 769 mW; (6)Storage temperature range : -40 +125 ℃; (7)Operating ambient temperature range : -25 +75 ℃; (8)Junction temperature : +125 ℃.
Features
TEA1061 features: (1)Voltage regulator with adjustable static resistance; (2)Provides supply for external circuitry; (3)Symmetrical high-impedance inputs for piezoelectric microphone ; (4)Asymmetrical high-impedance input for electret microphone ; (5)DTMF signal input with confidence tone; (6)Mute input for pulse or DTMF dialling; (7)Power down input for pulse dial or register recall; (8)Receiving amplifier for magnetic, dynamic or piezoelectric earpieces; (9)Large amplification setting range on microphone and earpiece amplifiers; (10)Line loss compensation facility, line current dependent (microphone and earpiece amplifiers); (11)Gain control adaptable to exchange supply; (12)De line voltage adjustment facility.
Diagrams

(China (Mainland))






