Product Summary
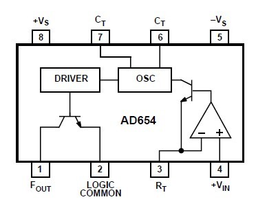
The AD6549BCPZ-RL is a monolithic V/F converter consisting of an input amplifier, a precision oscillator system, and a high current output stage. A single RC network is all that is required to set up any full scale (FS) frequency up to 500 kHz and any FS input voltage up to ± 30 V. Linearity error is only 0.03% for a 250 kHz FS, and operation is guaranteed over an 80 dB dynamic range. The overall temperature coefficient (excluding the effects of external components) is typically ±50 ppm/℃. The AD6549BCPZ-RL operates from a single supply of 5 V to 36 V and consumes only 2.0 mA quiescent current. The low drift (4 mV/℃ typ) input amplifier allows operation directly from small signals such as thermocouples or strain gauges while offering a high (250 MW) input resistance. Unlike most V/F converters, the AD6549BCPZ-RL provides a square-wave output, and can drive up to 12 TTL loads, optocouplers, long cables, or similar loads.
Parametrics
AD6549BCPZ-RL absolute maximum ratings: (1)Total Supply Voltage +VS to –VS: 36 V; (2)Maximum Input Voltage (Pins 3, 4) to –VS: –300 mV to +VS; (3)Maximum Output Current, Instantaneous: 50 mA; Sustained: 25 mA; (4)Logic Common to –VS: –500 mV to (+VS –4); (5)Storage Temperature Range: –65℃ to +150℃.
Features
AD6549BCPZ-RL features: (1)Low Cost; (2)Single or Dual Supply, 5 V to 36 V, ±5 V to ±18 V; (3)Full-Scale Frequency Up to 500 kHz; (4)Minimum Number of External Components Needed; (5)Versatile Input Amplifier; (6)Positive or Negative Voltage Modes; (7)Negative Current Mode; (8)High Input Impedance, Low Drift; (9)Low Power: 2.0 mA Quiescent Current; (10)Low Offset: 1 mV.
Diagrams

![]() |
![]() AD652 |
![]() Other |
![]() |
![]() Data Sheet |
![]() Negotiable |
|
||||||||||||||||||||
![]() |
![]() AD654JNZ |
![]() |
![]() IC V-F CONVERTER MONO 8-DIP |
![]() Data Sheet |
![]()
|
|
||||||||||||||||||||
![]() |
![]() AD654JR |
![]() |
![]() IC V-F CONVERTER MONO 8-SOIC |
![]() Data Sheet |
![]()
|
|
||||||||||||||||||||
![]() |
![]() AD654JR-REEL |
![]() |
![]() IC V-F CONV MONO 500KHZ 8-SOIC |
![]() Data Sheet |
![]()
|
|
||||||||||||||||||||
![]() |
![]() AD652BQ |
![]() |
![]() IC V-F CONVERTER SYNC 16-CDIP |
![]() Data Sheet |
![]()
|
|
||||||||||||||||||||
![]() |
![]() AD652JP |
![]() |
![]() IC V-F CONV SYNCH MONO 5V 20PLCC |
![]() Data Sheet |
![]()
|
|
||||||||||||||||||||
(China (Mainland))












