Product Summary
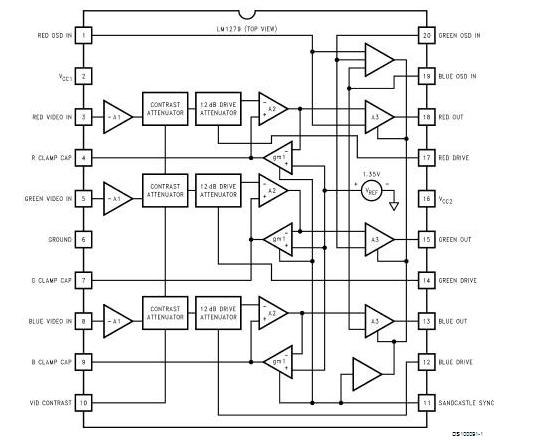
The LM1279AN is a full featured and low cost video amplifier with OSD (On Screen Display). 8V operation for low powerand increased reliability. Supplied in a 20-pin DIP package,accommodating very compact designs of the video channelrequiring OSD. All video functions controlled by 0V to 4Vhigh impedance DC inputs. The LM1279AN provides easy interfacing to5V DACs used in computer controlled systems and digitalalignment systems. Unique OSD switching, no OSD switch-ing signal required. An OSD signal at any OSD input typicallyswitches the LM1279AN to the OSD mode within 5 ns. Idealvideo amplifier for the low cost OSD monitor with resolutionsup to 1280 x 1024. The LM1279AN provides superior protectionagainst ESD. Excellent alternative for the MC13282 in newdesigns.
Parametrics
LM1279AN absolute maximum ratings: (1)Supply Voltage Pins 2 and 16: 10V; (2)Peak Video Output Source Current(Any One Amp) Pins 13, 15, or 18: 28 mA; (3)Power Dissipation (PD) (Above 25℃ Derate Based on θja and tj): 2.1 W; (4)Thermal Resistance to Ambient (θJA): 60℃/W; (5)Thermal Resistance to Case (θJA): 37℃/W; (6)Junction Temperature (TJ): 150℃; (7)ESD Susceptibility: 3.5 kV; (8)ESD Machine Model: 300V; (9)Storage Temperature: -65℃ to 150℃; (10)Lead Temperature (Soldering, 10 sec.): 265℃.
Features
LM1279AN features: (1)Three wideband video amplifiers 110 MHz @ -3dB (4 VPP output); (2)OSD signal to any OSD input pin automatically switchesall 3 outputs to the OSD mode; (3)Fast OSD switching time, typically 5 ns; (4)3.5 kV ESD protectionn; (5)Fixed cutoff level typically set to 1.35V; (6)0V to 4V, high impedance DC contrast control with over 40 dB range; (7)0V to 4V, high impedance DC drive control (0 dB to -12 dB Range); (8)Matched (0.3 dB or 3.5%) attenuators for contrast control; (9)Output stage directly drives CRT drivers; (10)Ideal combination with LM2407 CRT driver.
Diagrams

| Image | Part No | Mfg | Description | ![]() |
Pricing (USD) |
Quantity | ||||
|---|---|---|---|---|---|---|---|---|---|---|
![]() |
![]() LM1279AN |
![]() |
![]() IC AMP RGB VIDEO SYSTEM 20-DIP |
![]() Data Sheet |
![]() Negotiable |
|
||||
| Image | Part No | Mfg | Description | ![]() |
Pricing (USD) |
Quantity | ||||
![]() |
![]() LM12 |
![]() Other |
![]() |
![]() Data Sheet |
![]() Negotiable |
|
||||
![]() |
![]() LM12 80W |
![]() Other |
![]() |
![]() Data Sheet |
![]() Negotiable |
|
||||
![]() |
![]() LM120 |
![]() Other |
![]() |
![]() Data Sheet |
![]() Negotiable |
|
||||
![]() |
![]() LM1201 |
![]() Other |
![]() |
![]() Data Sheet |
![]() Negotiable |
|
||||
![]() |
![]() LM1203 |
![]() Other |
![]() |
![]() Data Sheet |
![]() Negotiable |
|
||||
![]() |
![]() LM1203A |
![]() Other |
![]() |
![]() Data Sheet |
![]() Negotiable |
|
||||
(China (Mainland))










