Product Summary
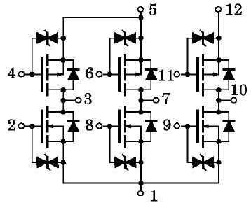
The MP6801 is a 3-phase motor drive and bipolar drive of pulse motor.
Parametrics
MP6801 absolute maxing ratings: (1)Drain-source voltage VDSS: N-ch: 60V; P=ch: -60V; (2)Gate-source voltage VGSS: N-ch: ±20V; P=ch: ±20V; (3)Drain current ID: N-ch: 10A; P=ch: -10A; (4)Peak drain current IDP: N-ch: 30A; P=ch: -30A; (5)Drain power dissipation(1 device operation, Ta=25℃) PD: 3.0W; (6)Channel temperature Tch: 150℃; (7)Storage temperature range Tstg: -55~150℃.
Features
MP6801 features: (1)4-volt gate drive; (2)Package with heat sink isolated to lead(SIP 12pin); (3)High drain power dissipation: PT=40W @ TC=25℃(6 device operation); (4)Low drain-source ON resistance: RDS(ON)=55mΩ(typ)(N-ch)/90mΩ(typ)(P-ch); (5)Low leakage current: IGSS=±10μA(max)@VDS=±16V; IDSS=±100μA(max)@VDS=60V; (6)Enhancement-mode: Vth=0.8~2.0V @ ID=1mA.
Diagrams

![]() |
![]() MP685-E3/54 |
![]() Vishay Semiconductors |
![]() Rectifiers 600 Volt 1.0 Amp |
![]() Data Sheet |
![]()
|
|
||||||||||||
(China (Mainland))








