Product Summary
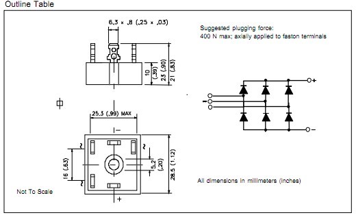
The extremely compact, encapsulated three phase bridge rectifier MT1159SE offers efficient and reliable operation. It is intended for use in general purpose and instrumentation applications.
Parametrics
MT1159SE absolute maximum ratings: (1)Maximum DC output current:25A;(2)TC:70 ℃;(3)Maximum I2√t for fusing: 636;(4)Maximum forward voltage drop:1.26;(5)Max. DC reverse current:100μA;(6)RMS isolation voltage: 2700V.
Features
MT1159SE features:(1)Universal, 3 way terminals, push-on, wrap around or solder; (2)High thermal conductivity package,; (3)electrically insulated case; (4)Center hole fixing; (5)Excellent power/volume ratio; (6)UL E 62320 approved.
Diagrams

![]() |
![]() MT1103 |
![]() Other |
![]() |
![]() Data Sheet |
![]() Negotiable |
|
||||
![]() |
![]() MT1103-RG-A |
![]() Other |
![]() |
![]() Data Sheet |
![]() Negotiable |
|
||||
![]() |
![]() MT1110 |
![]() Other |
![]() |
![]() Data Sheet |
![]() Negotiable |
|
||||
![]() |
![]() MT1118 |
![]() Other |
![]() |
![]() Data Sheet |
![]() Negotiable |
|
||||
![]() |
![]() MT1119 |
![]() Other |
![]() |
![]() Data Sheet |
![]() Negotiable |
|
||||
![]() |
![]() MT1120 |
![]() Other |
![]() |
![]() Data Sheet |
![]() Negotiable |
|
||||
(China (Mainland))








