Product Summary
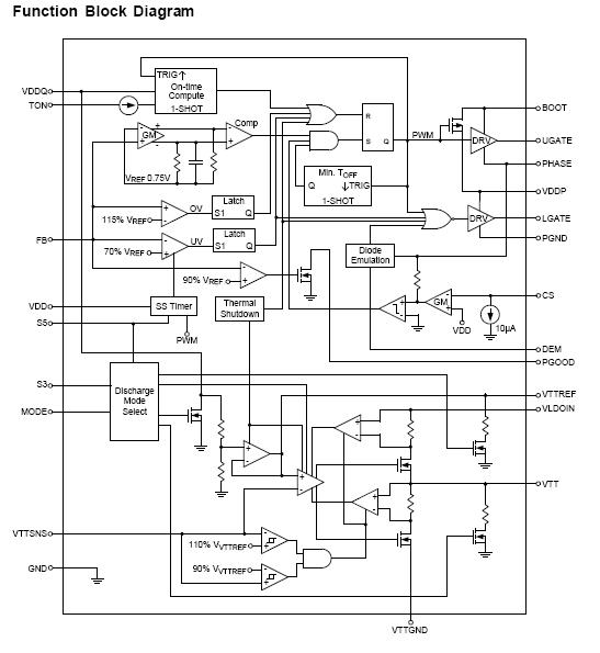
The RT8207LGQW is a Complete DDRII/DDRIII Memory Power Supply Controller. It provides a complete power supply for both DDRII/DDRIII memory systems. The RT8207LGQW integrates a synchronous PWM buck controller with a 3A sink/source tracking linear regulator and a buffered low noise reference. The applications of the RT8207LGQW are DDRII/DDRIII Memory Power Supplies, Notebook Computers, SSTL18, SSTL15 and HSTL Bus Termination.
Parametrics
RT8207LGQW absolute maximum ratings: (1)Input Voltage, TON to GND: -0.3V to 32V; (2)BOOT to GND: -0.3V to 38V; (3)PHASE to GND DC: -0.3V to 32V; (4)<20ns: -8V to 38V; (5)PHASE to BOOT: -6V to 0.3V; (6)VDD, VDDP, CS, MODE, S3, S5, VTTSNS, VDDQ, DEM to GNDL -0.3V to 6V; (7)VTTREF, VTT, VLDOIN, FB, PGOOD to GND: -0.3V to 6V; (8)UGATE to PHASE DC: -0.3V to 6V; (9)<20ns: -5V to 7.5V; (10)LGATE to GND DC: -0.3V to 6V; (11)<20ns: -2.5V to 7.5V; (12)PGND, VTTGND to GND: -0.3V to 0.3V; (13)Power Dissipation, PD @ TA = 25℃ WQFN-24L 4x4: 1.923W; (14)Package Thermal Resistance (Note 4) WQFN-24L 4x4, θJA: 52℃/W; (15)WQFN-24L 4x4, θJC: 7℃/W; (16)Junction Temperature: 150℃; (17)Lead Temperature (Soldering, 10 sec.): 260℃; (18)Storage Temperature Range: -65℃ to 150℃; (19)ESD Susceptibility (Note 2) HBM (Human Body Mode): 2kV; (20)MM (Machine Mode): 200V.
Features
RT8207LGQW features: (1)Battery Input Range 2.5V to 26V; (2)Resistor Programmable Frequency; (3)Over/Under Voltage Protection; (4)4 Steps Current Limit During Soft-Start; (5)Drives Large Synchronous-Rectifier FETs; (6)Power-Good Indicator; (7)3A LDO (VTT), Buffered Reference (VTTREF); (8)Capable to Sink and Source Up to 3A; (9)LDO Input Available to Optimize Power Losses; (10)Requires Only 20μF Ceramic Output Capacitor; (11)Buffered Low Noise 10mA VTTREF Output; (12)Accuracy ±20mV for Both VTTREF and VTT; (13)Supports High-Z in S3 and Soft-Off in S4/S5.
Diagrams

| Image | Part No | Mfg | Description | ![]() |
Pricing (USD) |
Quantity | ||||||||||||||||||
|---|---|---|---|---|---|---|---|---|---|---|---|---|---|---|---|---|---|---|---|---|---|---|---|---|
![]() |
![]() RT8207LGQW |
![]() |
![]() IC CTRLR DDR2/3 MEM PS 24WQFN |
![]() Data Sheet |
![]()
|
|
||||||||||||||||||
| Image | Part No | Mfg | Description | ![]() |
Pricing (USD) |
Quantity | ||||||||||||||||||
![]() |
![]() RT8202AGQW |
![]() |
![]() IC REG CTRLR BUCK PWM CM 16WQFN |
![]() Data Sheet |
![]()
|
|
||||||||||||||||||
![]() |
![]() RT8202GQW |
![]() |
![]() IC REG CTRLR BUCK PWM CM 16WQFN |
![]() Data Sheet |
![]()
|
|
||||||||||||||||||
![]() |
![]() RT8203 |
![]() Other |
![]() |
![]() Data Sheet |
![]() Negotiable |
|
||||||||||||||||||
![]() |
![]() RT8203GA |
![]() |
![]() IC CTRLR SMPS STPDN DUAL 28SSOP |
![]() Data Sheet |
![]()
|
|
||||||||||||||||||
![]() |
![]() RT8204 |
![]() Other |
![]() |
![]() Data Sheet |
![]() Negotiable |
|
||||||||||||||||||
![]() |
![]() RT8204AGQW |
![]() |
![]() IC REG DL BCK/LINEAR SYNC 16WQFN |
![]() Data Sheet |
![]()
|
|
||||||||||||||||||
(China (Mainland))








