Product Summary
The SKM145GB128D is a SPT IGBT Module. The applications of the KM145GB128D include (1)AC incerter drives; (2)UPS; (3)Electronic welders at fSW up to 20kHz.
Parametrics
SKM145GB128D absolute maximum ratings: (1)Tj= 25℃, VCES: 1200V; (2)Tj= 150℃, Tcase= 25℃, IC: 190A; Tcase= 80℃, IC: 135A; (3)ICRM= 2×1Cnom, ICRM: 200A; (4)VGES: ±20V; (5)VCC= 600V; VGE ≤ 20V; Tj= 125℃; VCES<1200V, tpsc: 10μs.
Features
SKM145GB128D features: (1)SPT=soft-punch-through technology; (2)VCEsat with positive temperature coefficient; (3)High short circuit capability, self limiting to 6×Ic.
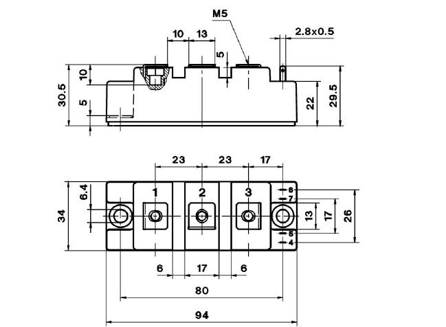
Diagrams

![]() |
![]() SKM100GAL123D |
![]() Other |
![]() |
![]() Data Sheet |
![]() Negotiable |
|
||||
![]() |
![]() SKM100GB124D |
![]() Other |
![]() |
![]() Data Sheet |
![]() Negotiable |
|
||||
![]() |
![]() SKM100GB125DN |
![]() Other |
![]() |
![]() Data Sheet |
![]() Negotiable |
|
||||
![]() |
![]() SKM100GB173D |
![]() Other |
![]() |
![]() Data Sheet |
![]() Negotiable |
|
||||
![]() |
![]() SKM111AR |
![]() Other |
![]() |
![]() Data Sheet |
![]() Negotiable |
|
||||
![]() |
![]() SKM121AR |
![]() Other |
![]() |
![]() Data Sheet |
![]() Negotiable |
|
||||
(China (Mainland))








