Product Summary
The CENTRAL SEMICONDUCTOR 2N4407 type is a kind of PNP Silicon Epitaxial Planar Transistor designed for general purpose and switching applications.
Parametrics
2N4407 absolute maximum ratings: (1)Collector-Base Voltage,VCBO: 80V; (2)Collector-Emitter Voltage,VCEO: 80V; (3)Emitter-Base Voltage,VEBO: 5.0V; (4)Collector Current,IC: 2.0A; (5)Power Dissipation,PD: 1.25W; (6)Power Dissipation (TC = 25℃),PD: 8.75W; (7)Operating and Storage, Junction Temperature, Tj, Tstg: -65 to +200℃; (8)Thermal Resistance,θJA: 140℃/W; (9)Thermal Resistance,θJC: 20℃/W.
Features
2N4407 features: (1)ICBO,VCB = 60V: 25μA; (2)IEBO,VEB = 3.0V: 25μA; (3)BVCEO, IC = 10mA: 80V; (4)BVCBO, IC = 10μA: 80V; (5)BVEBO, IE = 10μA: 5.0V; (6)VCE(SAT), IC = 150mA, IB =15mA: 0.2V; (7)VBE(SAT), IC = 150mA, IB =15mA: 0.9V; (8)VBE(ON), VCE = 1.0V, IC=500mA: 1.0V; (9)hFE, VCE = 5.0V, IC=10mA: 80; (10)fT, VCE = 5.0V, IC=50mA, f = 100MHz: 50MHz; (11)Ccb, VCB = 10V, IE = 0, f = 1.0MHz: 50PF.
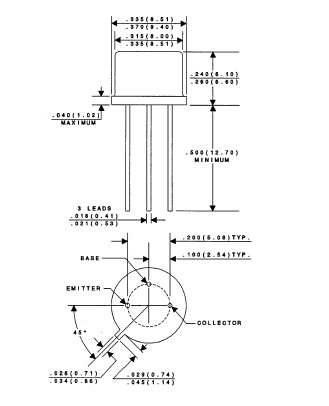
Diagrams

![]() |
![]() 2N4400 |
![]() Fairchild Semiconductor |
![]() Transistors Bipolar (BJT) TO-92 |
![]() Data Sheet |
![]() Negotiable |
|
||||
![]() |
![]() 2N4400_D74Z |
![]() Fairchild Semiconductor |
![]() Transistors Bipolar (BJT) |
![]() Data Sheet |
![]() Negotiable |
|
||||
![]() |
![]() 2N4400_D81Z |
![]() Fairchild Semiconductor |
![]() Transistors Bipolar (BJT) NPN Transistor General Purpose |
![]() Data Sheet |
![]() Negotiable |
|
||||
![]() |
![]() 2N4400_S00Z |
![]() Fairchild Semiconductor |
![]() Transistors Bipolar (BJT) NPN Transistor General Purpose |
![]() Data Sheet |
![]() Negotiable |
|
||||
![]() |
![]() 2N4400BU |
![]() Fairchild Semiconductor |
![]() Transistors Bipolar (BJT) NPN Transistor General Purpose |
![]() Data Sheet |
![]() Negotiable |
|
||||
![]() |
![]() 2N4400RA |
![]() Fairchild Semiconductor |
![]() Transistors Bipolar (BJT) |
![]() Data Sheet |
![]() Negotiable |
|
||||
(China (Mainland))








